PM200CS1D060 FLAT-BASE TYPE INSULATED PACKAGE

技术特性 Features
  • 3 phase 200A/600V CSTBTTM
    (The Current senser and the thermal senser with a build-in CSTBTTM.)
  • Monolithic gate drive & protection logic
  • Detection, protection & status indication circuits for, shortcircuit,over-temperature & under-voltage
应用领域 APPLICATION

General purpose inverter, servo drives and other motor controls

订购信息 Ordering Information
  • PM200CS1D060
PM200CS1D060 产品实物图

PM200CS1D060 产品实物图

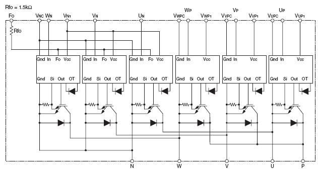
功能框图 Functional Block Diagram

PM200CS1D060 功能图框

外观尺寸图 Outline Drawing

PM200CS1D060 外观尺寸图


应用技术支持与电子电路设计开发资源下载 版本信息 大小
PM200CS1D060 数据资料DataSheet下载:PDF Rev.V2 2 页