技术特性 Features
- Adopting new 5th generation Full-Gate
CSTBTTM chip
- The over-temperature protection which
detects the chip surface temperature of
CSTBTTM is adopted.
- Error output signal is possible from all
each protection upper and lower arm of IPM.
- Compatible V-series package.
- Monolithic gate drive & protection logic
- Detection, protection & status indication circuits for, short-circuit, over-temperature & under-voltage.
应用领域 APPLICATION
General purpose inverter, servo drives and other motor controls
订购信息 Ordering Information
PM200DV1A120 产品实物图

|
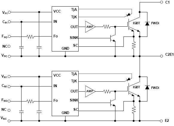
功能框图 Functional Block Diagram

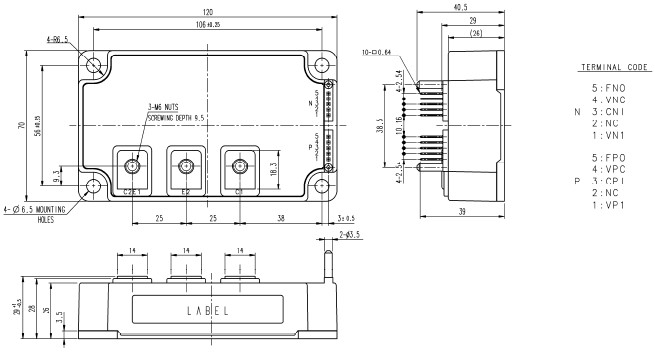
外观尺寸图 Outline Drawing

|