技术特性 Features
- Adopting new 5th generation Full-Gate CSTBTTM chip
- The over-temperature protection which detects the chip surface
temperature of CSTBTTM is adopted.
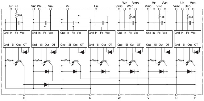
- Error output signal is possible from all each protection upper
and lower arm of IPM.
- Compatible L-series package.
- 3φ 200A, 600V Current-sense and temperature sense
IGBT type inverter
- Monolithic gate drive & protection logic
- Detection, protection & status indication circuits for, shortcircuit,
over-temperature & under-voltage (P-FO available from upper arm devices)
- UL Recognized
应用领域 APPLICATION
General purpose inverter, servo drives and other motor controls
PM200RL1A060 产品实物图

|
订购信息 Ordering Information
功能框图 Functional Block Diagram

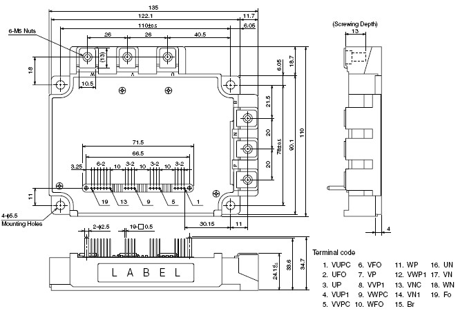
外观尺寸图 Outline Drawing

|