PM25CS1D120 FLAT-BASE TYPE INSULATED PACKAGE

技术特性 Features
  • 3 phase 25A/1200V CSTBTTM
    (The Current senser and the thermal senser with a build-in CSTBTTM.)
  • Monolithic gate drive & protection logic
  • Detection, protection & status indication circuits for, shortcircuit,
    over-temperature & under-voltage
订购信息 Ordering Information
  • PM25CS1D120
应用领域 APPLICATION

General purpose inverter, servo drives and other motor controls

PM25CS1D120 产品实物图

PM25CS1D120 产品实物图

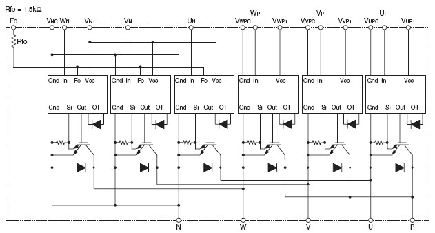
功能框图 Functional Block Diagram

PM25CS1D120 功能图框

外观尺寸图 Outline Drawing

PM25CS1D120 外观尺寸图


应用技术支持与电子电路设计开发资源下载 版本信息 大小
PM25CS1D120 数据资料DataSheet下载:PDF Rev.V2 2 页