RD06HHF1 RoHS Compliance, Silicon MOSFET Power Transistor 30MHz,6W

RD06HHF1 is a MOS FET type transistor specifically designed for HF RF power amplifiers applications.

技术特性 Features
  • High power gain:
    Pout>6W, Gp>16dB @Vdd=12.5V,f=30MHz
应用领域 APPLICATION

For output stage of high power amplifiers in HF band mobile radio sets.

订购信息 Ordering Information
  • RD06HHF1
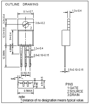
外观尺寸图 Outline Drawing

RD06HHF1 外观尺寸图


应用技术支持与电子电路设计开发资源下载 版本信息 大小
RD06HHF1 数据资料DataSheet下载:PDF Rev.V2 2 页