RD06HVF1 RoHS Compliance, Silicon MOSFET Power Transistor 175MHz,6W

RD06HVF1 is a MOS FET type transistor specifically designed for VHF RF power amplifiers applications.

技术特性 Features
  • High power gain:
    Pout>6W, Gp>13dB @Vdd=12.5V,f=175MHz
应用领域 APPLICATION

For output stage of high power amplifiers in VHF band mobile radio sets.

订购信息 Ordering Information
  • RD06HVF1
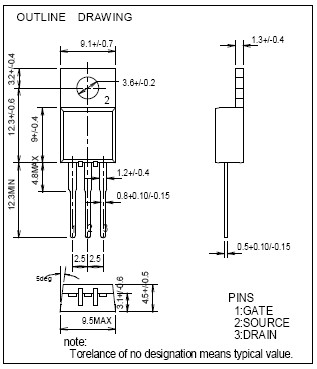
外观尺寸图 Outline Drawing

RD06HVF1 外观尺寸图


应用技术支持与电子电路设计开发资源下载 版本信息 大小
RD06HVF1 数据资料DataSheet下载:PDF Rev.V2 2 页