RD60HUF1 RoHS Compliance, Silicon MOSFET Power Transistor 520MHz,60W

RD60HUF1 is a MOS FET type transistor specifically designed for UHF High power amplifiers applications.

技术特性 Features
  • High power and High Gain:
    Pout>60W, Gp>7.7dB @Vdd=12.5V,f=520MHz
  • High Efficiency: 55%typ.on UHF Band
应用领域 APPLICATION

For output stage of high power amplifiers in UHF Band mobile radio sets.

订购信息 Ordering Information
  • RD60HUF1
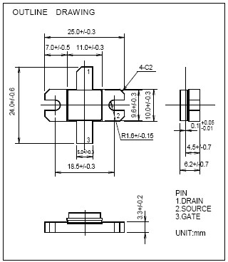
外观尺寸图 Outline Drawing

RD60HUF1 外观尺寸图


应用技术支持与电子电路设计开发资源下载 版本信息 大小
RD60HUF1 数据资料DataSheet下载:PDF Rev.V2 2 页