RD70HHF1 RoHS Compliance, Silicon MOSFET Power Transistor 30MHz,70W

RD70HHF1 is a MOS FET type transistor specifically designed for HF High power amplifiers applications.

技术特性 Features
  • High power and High Gain:
    Pout>70W, Gp>13dB @Vdd=12.5V,f=30MHz
  • High Efficiency: 60%typ.on HF Band
应用领域 APPLICATION

For output stage of high power amplifiers in HF Band mobile radio sets.

订购信息 Ordering Information
  • RD70HHF1
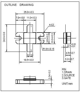
外观尺寸图 Outline Drawing

RD70HHF1 外观尺寸图


应用技术支持与电子电路设计开发资源下载 版本信息 大小
RD70HHF1 数据资料DataSheet下载:PDF Rev.V2 2 页