RD70HUF2 RoHS Compliance, Silicon MOSFET Power Transistor, 175MHz, 530MHz, 70W

RD70HUF2 is MOS FET type transistor specifically designed for VHF/UHF RF power amplifiers applications.

技术特性 Features
  • Supply with Tape and Reel. 500 Units per Reel
  • Employing Mold Package
  • High Power and High Efficiency
    Pout=75Wtyp, Drain Effi.=64%typ
    @ Vds=12.5V Idq=1.0A Pin=5.5W f=530MHz
    Pout=84Wtyp, Drain Effi.=74%typ
    @ Vds=12.5V Idq=1.0A Pin=4.0W f=175MHz
  • Integrated gate protection diode
应用领域 APPLICATION

For output stage of high power amplifiers in VHF/UHF band mobile radio sets.

订购信息 Ordering Information
  • RD70HUF2
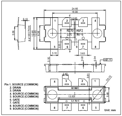
外观尺寸图 Outline Drawing

RD70HUF2 外观尺寸图


应用技术支持与电子电路设计开发资源下载 版本信息 大小
RD70HUF2 数据资料DataSheet下载:PDF Rev.V2 2 页