RD70HVF1 RoHS Compliance, Silicon MOSFET Power Transistor, 175MHz70W 520MHz,50W

RD70HVF1 is a MOS FET type transistor specifically designed for VHF/UHF High power amplifiers applications.

技术特性 Features
  • High power and High Gain:
    Pout>70W, Gp>10.6dB @Vdd=12.5V,f=175MHz
    Pout>50W, Gp>7.0dB @Vdd=12.5V,f=520MHz
  • High Efficiency: 60%typ.on VHF Band
  • High Efficiency: 55%typ.on UHF Band
应用领域 APPLICATION

For output stage of high power amplifiers in VHF/UHF Band mobile radio sets.

订购信息 Ordering Information
  • RD70HVF1
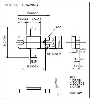
外观尺寸图 Outline Drawing

RD70HVF1 外观尺寸图


应用技术支持与电子电路设计开发资源下载 版本信息 大小
RD70HVF1 数据资料DataSheet下载:PDF Rev.V2 2 页