TM10T3B-H MEDIUM POWER GENERAL USE INSULATED TYPE

技术特性 Features
  • IO DC output current ...................... 20A
  • VRRM Repetitive peak reverse voltage........ 400/800V
  • VDRM Repetitive peak off-state voltage........ 400/800V
  • 3 Phase Mix Bridge
  • Insulated Type
  • UL Recognized
    Yellow Card No. E80276 (N)
    File No. E80271
订购信息 Ordering Information
  • TM10T3B-H
TM10T3B-H 产品实物图

TM10T3B-H 产品实物图

应用领域 APPLICATION

DC motor control, NC equipment, AC motor control, contactless switches, electric furnace temperature control, light dimmers

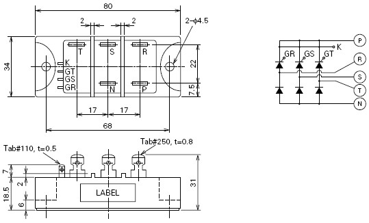
外观尺寸图 Outline Drawing

TM10T3B-H 外观尺寸图


应用技术支持与电子电路设计开发资源下载 版本信息 大小
TM10T3B-H 数据资料DataSheet下载:PDF Rev.V2 2 页