技术特性 Features
- IT (AV) Average on-state current ............ 20A
- IF (AV) Average forward current ............ 20A
- VRRM Repetitive peak reverse voltage........ 400/800V
- VDRM Repetitive peak off-state voltage........ 400/800V
- MIX DOUBLE ARMS
- Insulated Type
- UL Recognized
Yellow Card No. E80276 (N)
File No. E80271
应用领域 APPLICATION
DC motor control, NC equipment, Inverters, Servo drives, contactless switches, electric furnace temperature control, light dimmers
TM20RA-H 产品实物图

|
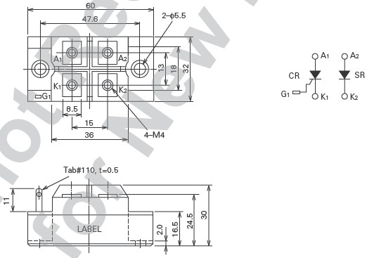
外观尺寸图 Outline Drawing

订购信息 Ordering Information
|