TM25CZ-H MEDIUM POWER GENERAL USE INSULATED TYPE

技术特性 Features
  • IT (AV) Average on-state current ............ 25A
  • VRRM Repetitive peak reverse voltage........ 400/800V
  • VDRM Repetitive peak off-state voltage........ 400/800V
  • DOUBLE ARMS
  • Insulated Type
  • UL Recognized
    Yellow Card No. E80276 (N)
    File No. E80271
TM25CZ-H 产品实物图

TM25CZ-H 产品实物图

应用领域 APPLICATION

DC motor control, NC equipment, AC motor control, Contactless switches, Electric furnace temperature control, Light dimmers

订购信息 Ordering Information
  • TM25CZ-M
  • TM25DZ-M
  • TM25CZ-H
  • TM25DZ-H
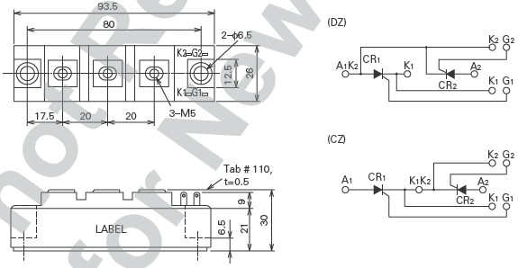
外观尺寸图 Outline Drawing

TM25CZ-H 外观尺寸图


应用技术支持与电子电路设计开发资源下载 版本信息 大小
TM25CZ-H 数据资料DataSheet下载:PDF Rev.V2 2 页