技术特性 Features
- IT (AV) Average on-state current ............ 90A
- VRRM Repetitive peak reverse voltage........ 1200/1600V
- VDRM Repetitive peak off-state voltage........ 1200/1600V
- DOUBLE ARMS
- Insulated Type
- UL Recognized
Yellow Card No. E80276 (N)
File No. E80271
应用领域 APPLICATION
DC motor control, NC equipment, AC motor control, Contactless switches, Electric furnace temperature control, Light dimmers
TM90CZ-24 产品实物图

|
订购信息 Ordering Information
- TM90CZ-24
- TM90DZ-24
- TM90CZ-2H
- TM90DZ-2H
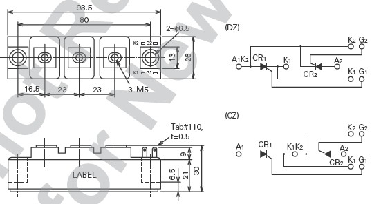
外观尺寸图 Outline Drawing

|