技术特性 Features
- IT (AV) Average on-state current ............ 90A
- IF (AV) Average forward current ............ 90A
- VRRM Repetitive peak reverse voltage.... 1200/1600V
- VDRM Repetitive peak off-state voltage.... 1200/1600V
- MIX DOUBLE ARMS
- Insulated Type
- UL Recognized
Yellow Card No. E80276 (N)
File No. E80271
应用领域 APPLICATION
DC motor control, NC equipment, AC motor control, contactless switches,
electric furnace temperature control, light dimmers
TM90EZ-24 产品实物图

|
订购信息 Ordering Information
- TM90EZ-24
- TM90RZ-24
- TM90EZ-2H
- TM90RZ-2H
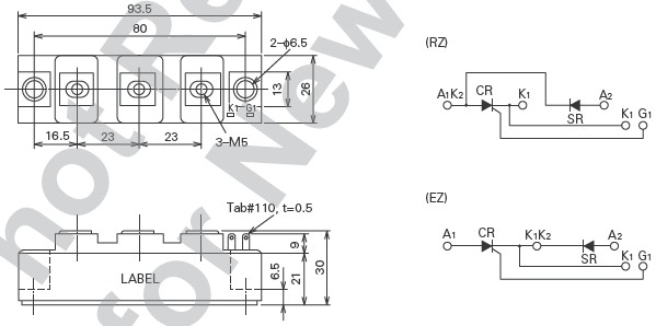
外观尺寸图 Outline Drawing

|