MC10E1651:5.0 V, -5.0 V Dual ECL Output Comparator with Latch
The MC10E1651 comparator is functionally and pin-for-pin compatible with the MC1651 in the MECL III family, but is fabricated using the advanced MOSAIC III process. The MC10E1651 comparator incorporates a fixed level of input hysteresis as well as output compatibility with 10KH logic devices. In addition, a latch is available allowing a sample and hold function to be performed. The device is available in both a 16-pin DIP and a 20-pin surface mount package. The latch enable (LENabar and LENbbar) input pins operate from standard ECL 10KH logic levels. When the latch enable is at a logic high level the MC10E1651 acts as a comparator, hence Q will be at a logic high level if V1 > V2 (V1 is more positive than V2). Qbar is the complement of Q. When the latch enable input goes to a low logic level, the outputs are latched in their present state providing the latch enable setup and hold time constraints are met. The 100 series contains temperature compensation.
技术特性
- Typical 3.0 dB Bandwidth > 1.0 GHz
- Typical V to Q Propagation Delay of 775 ps
- Typical Output Rise/Fall of 350 ps
- Common Mode Range -2.0 V to +3.0 V
- Individual Latch Enables
- Differential Outputs
- 28mV Input Hysteresis
- Operating Mode: VCC = 5.0 V, VEE = -5.2 V
- No Internal Input Pulldown Resistors
- ESD Protection: > 2 KV HBM, > 100 V MM
- Meets or Exceeds JEDEC Spec EIA/JESD78 IC Latchup Test
- Moisture Sensitivity Level 1
For Additional Information, see Application Note AND8003/D
- Flammability Rating: UL-94 code V-0 @ 1/8", Oxygen Index 28 to 34
- Transistor Count = 85 devices
应用
- Battery Monitors
- General Purpose Low Voltage Applications
终端产品
- Notebook and PDA applications
- General Purpose Portable Devices
|
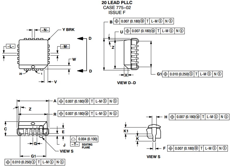
封装图 PACKAGE DIMENSIONS

|
订购信息 Ordering Information
| 产品 |
状况 |
Compliance |
具体说明 |
封装 |
MSL* |
容器 |
预算价格 (1千个数量的单价) |
| 类型 |
外形 |
类型 |
数量 |
| MC10E1651FNG |
Active |
|
5.0 V, -5.0 V Dual ECL Output Comparator with Latch |
PLLC-20 |
775-02 |
3 |
Tube |
46 |
$33.3325 |
| MC10E1651FNR2G |
Active |
|
5.0 V, -5.0 V Dual ECL Output Comparator with Latch |
PLLC-20 |
775-02 |
3 |
Tape and Reel |
500 |
$33.3325 |
| MC10E1651FN |
Last Shipments |
|
5.0 V, -5.0 V Dual ECL Output Comparator with Latch |
PLLC-20 |
775-02 |
1 |
Tube |
46 |
|
| MC10E1651FNR2 |
Last Shipments |
|
5.0 V, -5.0 V Dual ECL Output Comparator with Latch |
PLLC-20 |
775-02 |
1 |
Tape and Reel |
500 |
|
数据资料DataSheet下载