RF1194B SFM WITH INTEGRATED GSM RECEIVE FILTERS: QB GSM, TB UMTS
The RF1194B is a single-pole nine-throw (SP9T) Switch Filter Module (SFM). Low insertion loss along with excellent linearity performance achieved by the RF1194B makes it ideal for multi-mode GSM, EDGE, and UMTS handset applications. This module builds upon RFMD’s pHEMT Switch technology and integrates low pass filtering on the GSM transmit paths thus avoiding the need for external harmonic attenuation. This module integrates Low loss GSM Receive SAW filters for ease of implementation. This module also integrates a decoder and is compatible with +1.8 V control logic. The RF1194B is packaged in a compact 4.5 mm x 4.5 mm x 1.2 mm, 28-pin, laminate Module which allows for a small solution size and lowest BOM cost as it does not require external DC blocking capacitors.
技术特性 Features
- Integrated GSM RX SAW Filters for Ease of Implementation
- Very Low Insertion Loss
- Best in Class Harmonic Attenuation with Integated LPF
- Exceptional Linearity Performance
- Lowest BOM Cost and Small Solution - No External DC Blocking Capacitors
- GPIO Interface and Compatible with 1.8 V Logic (VCTL - High Min = 1.3 V)
- Compact Footprint, 4.5 mm x 4.5 mm x 1.2 mm, 28-Pin Laminate Module
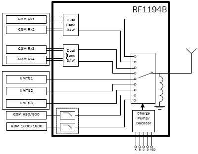
功能框图 Functional Block Diagram

|
技术指标
| Switch Type: |
SP9T |
| Frequency Range (Min) (MHz): |
915 |
| Frequency Range (Max) (MHz): |
824 |
| Insertion Loss (dB): |
1.20 |
| Package: |
Module |
应用领域 Applications
- Cellular Handset Applications
- Multi-Mode GSM, EDGE,WCDMA Applications
- GSM/GPRS/EDGE Switch Applications
- Cellular Infrastructure Applications
产品实物图

订购信息 Ordering Information
- RF1194B SFM with Integrated GSM Receive Filters: QB GSM, TB UMTS
- RF1194BPCBA-410 Fully Assembled Evaluation Board
|