RF1195 SP10T Multimode Switch Filter Module
The RF1195 is a single-pole ten-throw (SP10T) Switch Filter Module. Low insertion loss along with excellent linearity performance achieved by the RF1195 makes it ideal for multi-mode GSM, EDGE, UMTS handset and data-card applications.This module builds upon RFMD's pHEMT Switch technology and integrates low pass filtering on the GSM transmit paths thus avoiding the need for external harmonic attenuation. This module integrates Low loss GSM Receive SAW filters for ease of implementation. This module also integrates a decoder and is compatible with +1.8V control logic. The RF1195 is packaged in a compact 4.5mm x 4.5mm x 1.2mm, 28-pin, laminate module which allows for a small solution size and lowest BOM cost as it does not require external DC blocking capacitors when external DC voltages are not applied to device ports.
技术特性 Features
- Integrated GSM RX SAW Filters for Ease of Implementation
- Very Low Insertion Loss
- Best in Class Harmonic Attenuation with Integated LPF
- Exceptional Linearity Performance
- Lowest BOM Cost and Small Solution
- GPIO Interface and Compatible with 1.8V Logic (VCTL - High Min = 1.3V)
- Compact Footprint, 4.5mm x 4.5mm x 1.2mm, 28-Pin Laminate module
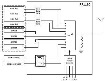
功能框图 Functional Block Diagram

|
技术指标
| Switch Type: |
SP10T |
| Frequency Range (Min) (MHz): |
824 |
| Frequency Range (Max) (MHz): |
1900 |
| Insertion Loss (dB): |
1.2 |
| IIP2 (dBm): |
110 |
| IIP3 (dBm): |
66 |
| Package: |
Module |
应用领域 Applications
- Cellular Handset Applications
- Multi-Mode GSM, EDGE,WCDMA Applications
- Cellular modems and USB devices
产品实物图

订购信息 Ordering Information
- RF1195 SP10T Switch Filter Module with Integrated GSM Receive Filters
- RF1195PCBA-410 Fully Assembled Evaluation Board
|
订购信息 Ordering Information
| 订购型号 |
MOQ* |
INC* |
Packaging and Shipping Details |
QTY |
Per 1 EA |
| RF1195 |
25 EA |
25 EA |
Standard 25 Piece Bag Shipping From Greensboro |
1+ |
$5.67 |
| RF1195SR |
100 EA |
100 EA |
Standard 100 Piece 7" Short Reel Shipping From Greensboro |
100+ |
$3.96 |
| RF1195TR7 |
750 EA |
750 EA |
Standard 750 Piece 7" Reel Shipping From Greensboro |
750+ |
$2.75 |
| RF1195TR13 |
2500 EA |
2500 EA |
Standard 2500 Piece 13" Reel Shipping From Greensboro |
|
|
| RF1195PCK-410 |
1 EA |
1 EA |
Standard 1 Shipping From Greensboro |
1+ |
$150.00 |