RF1291 Switch Filter Module with Eight Linear 3G/4G Paths
The RF1291 Antenna Switch Module offers very low insertion loss along with excellent linearity performance. The RF1291 is ideal for multi-mode GSM, EDGE, UMTS, and LTE handset applications. This module integrates low pass filtering on the GSM transmit paths, thus avoiding the need for external harmonic attenuation. The RF1291 is compatible with +1.8V control logic and is packaged in a compact 3.2mm x 3.2mm, 20-pin, Module package which allows for a small solution size with no need for external DC blocking capacitors when no external DC is applied to the device ports
技术特性 Features
- Excellent Insertion Loss and Isolation Performance
- Eight Linear Paths Offer Band Combination and Air Interface Flexibility
- Excellent GSM TX Harmonic Attenuation
- Integrated Antenna ESD Protection
- >2kV HBM ESD on all Paths
- Fully Spec Compliant at 1.3V Control Voltage
- Broadband Performance Suitable for all Cellular Modulation Schemes up to 3GHz
- Very Low Current Consumption
- Compact 3.2mm x 3.2mm x 1.0mm(typ) Laminate Module
- Very High Linearity and Excellent Harmonic Performance, Ideally Suited for LTE Applications.
应用领域 Applications
- Cellular Handset Applications
- Cellular Modems and USB Devices
- Multi-Mode GSM, EDGE,WCDMA Applications
产品实物图

|
技术指标
| Switch Type: |
SP10T |
| Frequency Range (Min) (MHz): |
500 |
| Frequency Range (Max) (MHz): |
2700 |
| Insertion Loss (dB): |
0.7 |
| IIP2 (dBm): |
125 |
| IIP3 (dBm): |
72 |
| Package: |
20-Pin, 3.2mm x 3.2mm Module |
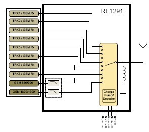
功能框图 Functional Block Diagram

订购信息 Ordering Information
- RF1291 SP10T Antenna Switching Module
|
订购信息 Ordering Information
| 订购型号 |
MOQ* |
INC* |
Packaging and Shipping Details |
QTY |
Per 1 EA |
| RF1291SQ |
25 EA |
25 EA |
Standard 25 Piece Bag Shipping From Beijing |
1+ |
$4.58 |
| RF1291SR |
100 EA |
100 EA |
Standard 100 Piece 7" Short Reel Shipping From Greensboro |
100+ |
$3.20 |
| RF1291TR13 |
2500 EA |
2500 EA |
Standard 2500 Piece 13" Reel Shipping From Beijing |
750+ |
$2.23 |
| RF1291PCK-410 |
1 EA |
1 EA |
Standard 1 Shipping From Greensboro |
1+ |
$150.00 |