SZM-2166Z 2W Class AB Amplifier
RFMD’s portfolio of leading edge products for WLAN and WiMAX applications is enhanced with the introduction of the new SZM-2166Z high linearity 2.3-2.7 GHz 2W power amplifier. Produced in InGaP HBT technology the SZM-2166Z offers a cost effective solution to more expensive FET based solutions. With only 7.5 dB of backoff from P1dB the SZM-2166Z provides a full 1/2 watt of linear power at 2.5% EVM from a single positive bias. The SZM-2166Z is housed in a low cost 6x6 QFN package and boasts an ESD rating of class 1C.
技术特性 Features
- High gain accommodates all Tx/Rx chip sets
- +27 dBm linear power for OFDM modulation
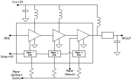
- Active bias with adjustable Iq current
- Flexible power up / down control for each gain stage
- On chip power detector
- Robust ESD Rating = Class 1C (1000V HBM)
功能框图 Functional Block Diagram

SZM-2166Z 产品实物图

|
技术指标
| Frequency Range (Min) (MHz): |
2300 |
| Frequency Range (Max) (MHz): |
2700 |
| POUT (dBm): |
27 |
| EVM (%): |
2.5 |
| Gain (dB): |
36 |
| VSUPPLY (V): |
6 |
| ISUPPLY (mA): |
900 |
| Package: |
QFN |
应用领域 Applications
- 802.16 WiMAX Driver or Output
Stage
- 802.11b/g WiFi, WiFi
- CPE Terminal Applications
订购信息 Ordering Information
- SZM2166ZSQ Standard 25 piece bag
- SZM2166ZSR Standard 100 piece reel
- SZM2166Z Standard 1000 piece reel
- SZM2166ZPCK-EVB1 Evaluation Board 2.3GHz to 2.4 GHz Tune and 5 loose
sample pieces
- SZM2166ZPCK-EVB2 Evaluation Board 2.4GHz to 2.5GHz Tune and 5 loose
sample pieces
- SZM2166ZPCK-EVB3 Evaluation Board 2.5GHz to 2.7GHz Tune and 5 loose
sample pieces
|
订购信息 Ordering Information
| 订购型号 |
MOQ* |
INC* |
Packaging and Shipping Details |
QTY |
Per 1 EA |
| SZM2166ZSQ |
25 EA |
25 EA |
Standard 25 Piece Bag Shipping From Greensboro |
1+ |
$12.34 |
| SZM2166ZSR |
100 EA |
100 EA |
Standard 100 Piece 7" Short Reel Shipping From Hsin-Chu |
100+ |
$10.49 |
| SZM2166Z |
1000 EA |
1000 EA |
Standard 1000 Piece 13" Reel Shipping From Hsin-Chu |
750+ |
$8.91 |
| SZM2166ZPCK-EVB1 |
1 EA |
1 EA |
Standard 1 Shipping From Greensboro |
1+ |
$150.00 |
| SZM2166ZPCK-EVB3 |
1 EA |
1 EA |
Standard 1 Shipping From Greensboro |
1+ |
$150.00 |
| SZM2166ZPCK-EVB2 |
1 EA |
1 EA |
Standard 1 Shipping From Greensboro |
1+ |
$150.00 |