AA101-80LF GaAs IC 5-Bit Digital Attenuator 1 dB LSB Positive Control 0.5–2.5 GHz
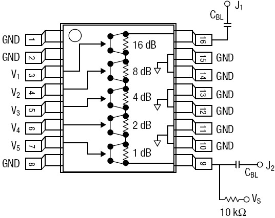
The AA101-80 is a 5-bit, single positive control GaAs IC FET digital attenuator in a low-cost SSOP-16 package. This attenuator has an LSB of 1 dB and a total attenuation of 31 dB. The attenuator requires external DC blocking capacitors, positive supply voltage (VS) and five individual bit control voltages (V1–V5). The AA101-80 is particularly suited where high attenuation accuracy, low insertion loss and low intermodulation products are required. Typical applications include base station, wireless data, and wireless local loop gain level control circuits.
技术特性
- Attenuation 1 dB steps to 31 dB with high accuracy
- Single positive control (3 to 5 V) for each bit
- Low DC power consumption
- Small low-cost SSOP-16 plastic package
- Available lead (Pb)-free and RoHS-compliant MSL-1 @ 260 °C
per JEDEC J-STD-020
订购信息 Ordering Information
|
引脚定义

|