AA264-87LF GaAs IC 4-Bit Digital Attenuator 2 dB LSB Positive Control 0.5–2 GHz
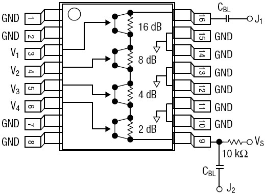
The AA264-87 is a 4-bit, single positive control GaAs IC FET digital attenuator in a low-cost TSSOP-16 package. The attenuator requires external DC blocking capacitors, positive supply voltage (VS) and four individual positive control voltages (V1–V4). The AA264-87 is particularly suited where high attenuation accuracy, low insertion loss and low intermodulation products are required. Typical applications include base station, wireless data and wireless local loop gain control circuits.
技术特性
- Attenuation 2 dB steps to 30 dB with high accuracy
- Single positive control for each bit
- Low DC Power consumption
- Small, low-cost TSSOP-16 plastic package
- Available lead (Pb)-free and RoHS-compliant MSL-1 @ 260 °C
per JEDEC J-STD-020
订购信息 Ordering Information
|
引脚定义

|