AAT1236 High Efficiency White LED Drivers for Backlight and Keypad

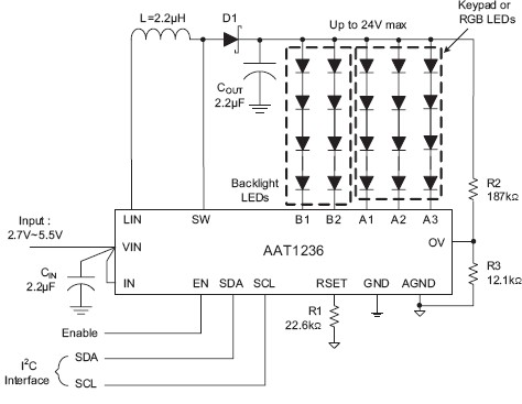
The AAT1236 is a highly integrated, high efficiency power solution for white LED backlight and keypad backlights in mobile/portable devices. It is based on a switching boost converter which steps up the single-cell lithium-ion/polymer battery voltage to drive 5 strings of series-connected white LEDs with precision current regulation. The AAT1236 is capable of driving a total of four LEDs per channel. The boost converter can produce an output drive of up to 24V at 100mA. The high switching frequency (up to 2MHz) provides fast response to load transients and allows the use of small external components. A fully integrated control circuit simplifies the design and reduces total solution size. Skyworks’ Advanced Simple Serial Control™ (AS2Cwire™) serial digital input is used to individually turn each output sink on/off and adjust the LED current by group. Unlike conventional pulse width modulation (PWM) control of LED brightness, the AAT1236 drives the LEDs with constant, non-pulsating current. A similar device is also available with an I2C two-wire interface; please see the AAT1236 datasheet. The AAT1236 is available in a Pb-free, thermally-enhanced 16-pin 3x4mm TDFN package and is specified for operation over the -40°C to +85°C temperature range.

技术特性
  • 2.7V to 5.5V Input Voltage Range
  • Compatible with Common Anode RGB LEDs
  • Four S2Cwire Controlled Lighting Moods
  • 0~60mA Programmable Current Source
  • Low Noise Constant Frequency Operation
  • No Inductors
  • Small Application Circuit
  • Regulated Output Current
  • ntegrated LED Control Switches
  • Automatic Soft-Start
  • Less than 1μA Shutdown Current
订购信息 Ordering Information
  • AAT1236

 

应用领域 APPLICATION
  • Digital Still Cameras (DSCs)
  • Keypad Backlight
  • Large Panel Displays
  • Mobile Handsets
  • PDAs and Notebook PCs
  • Personal Media Players
  • White LED Backlight
AAT1236 典型应用

AAT1236 典型应用

应用技术支持与电子电路设计开发资源下载 版本信息 大小
AAT1236 数据资料DataSheet下载:pdf Rev.V2 2 页