AAT1407 Six-Channel LED Backlight Driver with Integrated Boost and High Frequency Direct PWM Dimming
The AAT1407 is a highly integrated, high efficiency white LED backlight solution for large size LCD panels used in LCD TVs. The device operates from a wide 10.8V to 28V DC power supply. 16 precision current sinks provide constant current drive for up to 160 white LEDs. A wide range of series LEDs is possible because the current sinks can withstand 35V. A SPI compatible interface operates up to 30MHz, allowing fast, independent digital control of each current sink. Full scale LED current is programmed from 20mA to 150mA using an external resistor. LED brightness variation is compensated by setting relative current sink magnitudes with an 8-bit resolution dot correction register for each LED current sink. The AAT1407 provides a 12-bit resolution phase delay per LED current sink that can be used to synchronize the LEDs to VSYNC. Device addressing provides for up to 256 LED strings. A 12-bit resolution grayscale PWM brightness setting is generated via a clock from a PLL synchronized to VSYNC or from the external VSYNC and GSCLK pins. The AAT1407 provides fault handling and fault reporting through the interface. If diodes are shorted on one or more strings, the current sinks will maintain operation due to the high voltage rating of the outputs, however a fault condition will be reported on the open drain Fault pin. Similarly, if an open is detected or an over temperature condition arises, the fault is reported on the Fault pin. When a fault is reported, the nature of the fault condition can be read through the serial interface. The LED power voltage may be regulated by using the CSFBO (current sense feedback output) signal as feedback for the LED voltage regulator. This analog signal represents the highest VF string of LEDs. A CSFBI (current sense feedback input) signal allows for daisy chaining of multiple AAT1407 ICs. The 3D feedback function extends the dynamic range of the feedback system by changing the VREG input voltage on the AAT2410 with respect to the dropout voltage for a specific DOT setting, and the dropout/CSFBO voltage is optimized internally as DOT is changed. Thermal protection circuitry shuts down the device in the event of an over-temperature condition. The AAT1407 is available in the Pb-free, thermally enhanced 48-pin 7mm x 7mm TQFN package.
技术特性
- VIN Range: 4.5V to 5.5V / 5.0V to 26.0V
- LX Rated to 50V
- Maximum IOUT: 120mA
- Up to 92% Efficiency
- High Efficiency Light-Load Mode
- 4 LED Current Sinks up to 30mA/each
- ±2% Accuracy (21mA)
- ±2% Matching (21mA)
- Flexible Configurations
- Disable or Parallel
- Switching Frequency Options
- 675kHz or 1.3MHz
- Synchronize to System Clock
- PWM Direct Dimming Input
- Up to 100kHz Prevents Audio Interference
- Fast Turn-On/Off
- Wide 1,000:1 Dimming Range (100Hz)
- Fault Tolerant: Open/Short LED(s)
- Current Limit Protection
- Over-Voltage Protection
- Over-Temperature Protection
- Soft-Start Minimizes Inrush Current
- TQFN34-24 Low Profile Package
- 40°C to +85°C Temperature Range
|
应用领域 APPLICATION
- Monitors
- Notebook Computers
- Portable TV
- Portable DVD Players
- White LED Backlight
订购信息 Ordering Information
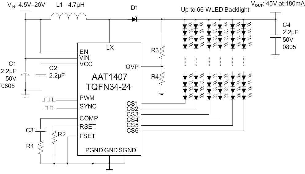
AAT1407 典型应用

|