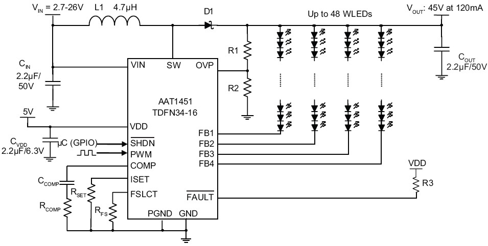
AAT1451 Four-LED Strings, High Efficiency White LED Driver for LCD Backlighting
The AAT1451 is a highly integrated, high efficiency LED backlight solution for notebook, netbook computers, monitors and portable TVs. The device operates from DC inputs, cigarette adapters and single to multi-cell Li-ion batteries in the voltage range from 2.7V to 26V. An integrated boost (step-up) converter provides a high voltage output up to 50V for driving series LEDs. Four precision current sinks are programmable up to 30mA per string through one external RSET resistor, supporting up to 481 white LEDs at 120mA total output current. The boost output voltage is determined by the highest total forward voltage of the LED strings, allowing for a wide range of LED characteristics. Each string is PWM dimmed with 90 degree phase shift to minimize ripple currents, and filter capacitor sizes. The PWM input frequency range is 100Hz to 10kHz with a dimming range of 256:1. The integrated boost regulator switching frequency is programmable from 600kHz to 1MHz by external resistor for optimum efficiency and the smallest external L/C filtering components. Boost current mode control provides fast response to line and load transients. Integrated light-load mode ensures highest efficiency across the entire load range. Fault tolerant circuitry extends system life by disabling open and shorted LED(s) strings. The unique high voltage current sinks prevent damage resulting from shorted LEDs. The FAULT pin indicates the presence of shorted LEDs or over-temperature conditions. The AAT1451 is available in a Pb-free, thermally enhanced 16-pin 3x4 TDFN package.
技术特性
- VIN Range: 2.7V to 26V
- Integrated 50V Boost Converter
- Maximum IOUT: 120mA
- Programmable Switching Frequency
- 600kHz to 1MHz
- Up to 93% Efficiency
- High Efficiency Light-Load Mode
- Four White LED Strings
- Programmable Max Current Sink up to 30mA Each
- ±2% Accuracy (22mA)
- ±1.5% Matching (22mA)
- Direct PWM Dimming
- Automatic Phase Shifting
- Fast Turn-On/Off
- ntegrated Fault Protection for
- ndependent Disable of Open/Shorted LED(s) String(s)
- Over-Voltage
- Over-Temperature
- FAULT Indication for Shorted LED(s) and Over-Temperature
- Soft-Start Minimizes Inrush Current
- TDFN34-16 Low Profile Package
• 40°C to +85°C Temperature Range
|
应用领域 APPLICATION
- Tablets
- Notebook and Netbook Computers
- Portable Media Players
- Monitors
订购信息 Ordering Information
AAT1451 典型应用

|