AAT2491 Dual N-Channel HV Cascode-Clamp, Lateral TrenchDMOS Array
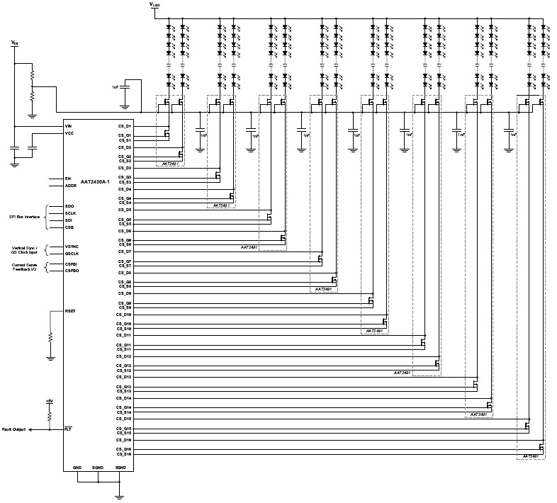
The AAT2491 is a monolithically integrated dual N-channel high-voltage cascode-clamp lateral TrenchDMOS array. The dual-channel AAT2491 monolithically integrates both current-sink (CS) and high-voltage cascode-clamp (CC) power MOSFETs required for reliably driving a large series string of LEDs as used in a variety of lighting and display backlight applications. The AAT2491’s low-voltage current-sink (CS) device, required for closed-loop current control in large panel LED driver applications, is constructed using Skyworks' robust lateral TrenchDMOS process featuring superior hot carrier performance needed for reliable constantcurrent operation. It has a low on resistance, typically 1.5Ω, facilitating constant current operation over a wide dynamic range. The low-voltage current-sink Lateral TrenchDMOS process features a low threshold voltage (VGS(ON)) and can be driven directly from a 5V supply. The high-voltage cascode-clamp TrenchDMOS device has a drain-to-source voltage rating of 150V. With a 12V gate drive, it exhibits a typical on-resistance of 5Ω. In high-voltage LED backlighting applications for TVs and large-screen LCD panels, the AAT2491 TrenchDMOS array allows control of two series strings of LEDs with up to 40 LEDs per string. Each series connected TrenchDMOS pair comprises a current sink device with its gate actively driven by a backlight driver IC (such as the AAT2430A-1 or the AAT2405). To facilitate direct temperature measurement of the AAT2491 in a system, a series connected string of P-N junction diodes is included with both anode and cathode connections available separate from the supply.
技术特性
- VIN Range: 2.7V to 26V
- Integrated 50V Boost Converter
- Maximum IOUT: 120mA
- Programmable Switching Frequency
- 600kHz to 1MHz
- Up to 93% Efficiency
- High Efficiency Light-Load Mode
- Four White LED Strings
- Programmable Max Current Sink up to 30mA Each
- ±2% Accuracy (22mA)
- ±1.5% Matching (22mA)
- Direct PWM Dimming
- Automatic Phase Shifting
- Fast Turn-On/Off
- ntegrated Fault Protection for
- ndependent Disable of Open/Shorted LED(s) String(s)
- Over-Voltage
- Over-Temperature
- FAULT Indication for Shorted LED(s) and Over-Temperature
- Soft-Start Minimizes Inrush Current
- TDFN34-16 Low Profile Package
• 40°C to +85°C Temperature Range
|
应用领域 APPLICATION
- LCD TV Panels
- LCD Monitors
- White LED Backlighting
- High-Voltage LED Lighting
订购信息 Ordering Information
AAT2491 典型应用

|