AAT2552 Total Power Solution for Portable Applications
The AAT2552 is a fully integrated 500mA battery charger, a 300mA step-down converter, and a 300mA low dropout (LDO) linear regulator. The input voltage range is 4V to 7.5V for the battery charger and 2.7V to 5.5V for the step-down converter and linear regulator, making it ideal for applications operating with single-cell lithium-ion/polymer batteries. The battery charger is a complete constant current/constant voltage linear charger. It offers an integrated pass device, reverse blocking protection, high accuracy current and voltage regulation, charge status, and charge termination. The charging current is programmable via external resistor from 30mA to 500mA. In addition to these standard features, the device offers over-voltage, current limit, and thermal protection. The step-down converter is a highly integrated converter operating at a 1.5MHz switching frequency, minimizing the size of external components while keeping switching losses low. The output voltage ranges from 0.6V to the input voltage. The AAT2552 linear regulator is designed for high speed turn-on and turn-off performance, fast transient response, and good power supply ripple rejection. Delivering up to 300mA of load current, it includes short-circuit protection and thermal shutdown. The AAT2552 is available in a Pb-free, thermally-enhanced TDFN34-16 package and is rated over the -40°C to +85°C temperature range.
技术特性
- Battery Charger:
- Input Voltage Range: 4V to 7.5V
- Programmable Charging Current up to 500mA
- Highly Integrated Battery Charger
- Charging Device
- Reverse Blocking Diode
- Current Sensing
- Step-Down Converter:
- Input Voltage Range: 2.7V to 5.5V
- Output Voltage Range: 0.6V to VIN
- 300mA Output Current
- Up to 96% Efficiency
- 45μA Quiescent Current
- 1.5MHz Switching Frequency
- 120μs Start-Up Time
- Linear Regulator:
- 300mA Output Current
- Low Dropout: 400mV at 300mA
- Fast Line and Load Transient Response
- High Accuracy: ±1.5%
- 85μA Quiescent Current
- Short-Circuit, Over-Temperature, and Current Limit Protection
- TDFN34-16 Package
- -40°C to +85°C Temperature Range
|
应用领域 APPLICATION
- Bluetooth™ Headsets
- Cellular Phones
- GPS
- Handheld Instruments
- MP3 and Portable Music Players
- PDAs and Handheld Computers
- Portable Media Players
订购信息 Ordering Information
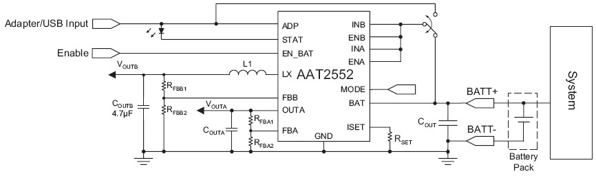
AAT2552 典型应用

|