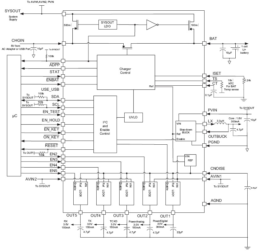
AAT2601A Total Power Solution for Portable Applications
The AAT2601A and AAT2601AA are members of Skyworks' Total Power Management IC (TPMICTM) product family. They contain a single-cell Lithium Ion/Polymer battery charger, a fully integrated step-down converter and 5 low dropout (LDO) regulators. The device also includes 2 load switches for dynamic power path/sleep mode operation, making it ideal for small handheld portable GSM or CDMA mobile telephones. The battery charger is a complete thermally regulated constant current/constant voltage linear charger. It includes an integrated pass device, reverse blocking protection, high accuracy current and voltage regulation, charge status, and charge termination. The charging current, charge termination current, and recharge voltage are programmable with an external resistor and/or by a standard I2C interface. The AAT2601A has a typical battery under-voltage lockout of 2.35V and the AAT2601AA has a typical battery under-voltage lockout of 2.9V. The step-down DC/DC converter is integrated with internal compensation and operates at a switching frequency of 1.5MHz, thus minimizing the size of external components while keeping switching losses low and efficiency greater than 92%. All LDO output voltages are programmable using the I2C interface. The five LDOs offer 60dB power supply rejection ratio (PSRR) and low noise operation making them suitable for powering noise-sensitive loads. All six voltage regulators operate with low quiescent current. The total no load current when the step-down converter and 2 LDOs are enabled is only 170μA. The AAT2601A and AAT2601AA are available in a thermally enhanced low profile 5x5x0.8mm 36-pin TQFN package.
技术特性
- Voltage Regulator VIN Range: 4.5V to 6V
- Complete Power Integration
- Integrated Load Switches to Power Converters from AC Adapter or Battery Automatically
- Low Standby Current
- 170μA (typ) w/ Buck (Core), LDO1 (PowerDigital), and LDO2 (PowerAnalog) Active, No Load
- One Step-Down Buck Converter (Core)
- 1.8V, 300mA Output
- 3.3V, 300mA Output (AAT2601AA-3.3 ONLY)
- 1.5MHz Switching Frequency
- Fast Turn-On Time (100μs typ)
- Five LDOs Programmable with I2C
- LDO1: 3.0V, 300mA (PowerDigital)
- LDO2: 3.0V, 150mA (PowerAnalog or PLL)
- LDO3: 3.0V, 150mA (TCXO)
- LDO4: 3.0V, 150mA (TX)
- LDO5: 3.0V, 150mA (RX)
- PSRR: 60dB@10kHz
- Noise: 50μVrms for LDO3, LDO4, and LDO5
- One Battery Charger
- Digitized Thermal Regulation
- Charge Current Programming up to 1.4A
- Charge Current Termination Programming
- Automatic Trickle Charge for Battery Preconditioning (2.8V Cutoff)
- Adapter OK (ADPP) and Reset (RESET) Timer Outputs
- AAT2601A Typical UVLO: 2.35V
- AAT2601AA Typical UVLO: 2.9V
- Separate Enable Pins for Supply Outputs
- Over-Current Protection
- Over-Temperature Protection
- 5x5mm TQFN55-36 Package
|
应用领域 APPLICATION
- Digital Cameras
- GSM or CDMA Cellular Phones
- Handheld Instruments
- PDAs and Handheld Computers
- Portable Media Players
订购信息 Ordering Information
AAT2601A 典型应用

|