AAT2605 Five-Channel 300mA LDO Regulator

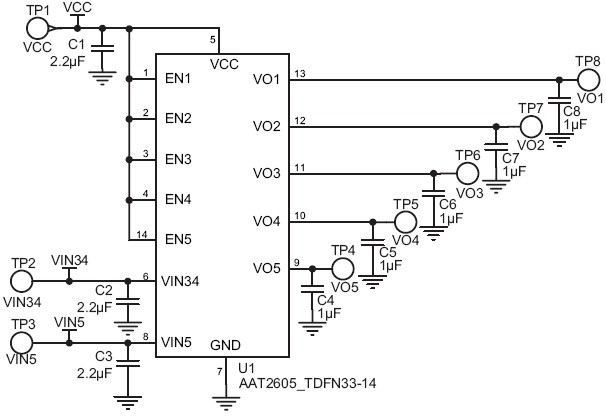
Management IC (TPMIC™) product family. It contains five fully integrated 300mA low dropout (LDO) regulators in a small Pb-free 14-pin 3mm x 3mm TDFN package, making it ideal for space-constrained systems. The AAT2605 features low power consumption, low dropout, and high noise immunity from the input power supply. Each channel consumes a mere 30μA of current when enabled, features 250mV of dropout at 250mA and 68dB of power supply rejection at 10kHz. Each channel has its own enable pin and uses a small 1μF output capacitor. Output voltages are factory One Time Programmable (OTP) between 0.6V and 3.7V with 100mV increment and typical regulation accuracy is ±1%. LDO1 and LDO2 share the same input voltage, as do LDO3 and LDO4 while LDO5 has its own independent input. The AAT2605 is a safe solution that integrates an over-current limit for each channel and an over-thermal protection. The device is rated over a temperature range of -40°C to 85°C.

技术特性
  • 2.7V to 5.5V Operating Input Voltage Range
  • 5 Outputs with Factory Programmable Voltages from 0.6V to 3.7V
  • 300mA Output Current Per Channel
  • 3mmx3mm, 14-Pin TDFN Package
  • ±1% Typical Accuracy
  • Low 30μA Quiescent Current
  • High PSRR (68dB @10KHZ)
  • 250mV Dropout Voltage at 250mA
  • Independent Enable
  • Over-Current Protection
  • Over-Thermal Protection
订购信息 Ordering Information
  • AAT2605

 

应用领域 APPLICATION
  • Cellular Applications
  • Handheld Products
  • Media Players (MP4 Players)
  • Portable Navigation Devices (PND)
AAT2605 典型应用

AAT2605 典型应用

应用技术支持与电子电路设计开发资源下载 版本信息 大小
AAT2605 数据资料DataSheet下载:pdf Rev.V2 2 页