AAT2845 Four-Channel Backlight Driver with Dual LDOs
The AAT2845 is a monolithically integrated dual N-channel high-voltage cascode-clamp lateral TrenchDMOS array. The dual-channel AAT2845 monolithically integrates both current-sink (CS) and high-voltage cascode-clamp (CC) power MOSFETs required for reliably driving a large series string of LEDs as used in a variety of lighting and display backlight applications. The AAT2845’s low-voltage current-sink (CS) device, required for closed-loop current control in large panel LED driver applications, is constructed using Skyworks' robust lateral TrenchDMOS process featuring superior hot carrier performance needed for reliable constantcurrent operation. It has a low on resistance, typically 1.5Ω, facilitating constant current operation over a wide dynamic range. The low-voltage current-sink Lateral TrenchDMOS process features a low threshold voltage (VGS(ON)) and can be driven directly from a 5V supply. The high-voltage cascode-clamp TrenchDMOS device has a drain-to-source voltage rating of 150V. With a 12V gate drive, it exhibits a typical on-resistance of 5Ω. In high-voltage LED backlighting applications for TVs and large-screen LCD panels, the AAT2845 TrenchDMOS array allows control of two series strings of LEDs with up to 40 LEDs per string. Each series connected TrenchDMOS pair comprises a current sink device with its gate actively driven by a backlight driver IC (such as the AAT2430A-1 or the AAT2405). To facilitate direct temperature measurement of the AAT2845 in a system, a series connected string of P-N junction diodes is included with both anode and cathode connections available separate from the supply.
技术特性
- Input Voltage Range: 2.7V to 5.5V
- Four-Channel LED Driver:
- Tri-Mode Charge Pump
▪ Up to 20mA/Channel
- Easy Control with Single Wire Interface
- 16 Current Levels
- Four Low Current Settings Down to 50μA
- Low IQ (50μA) for Low Current Mode
- >90% Peak Efficiency
- Dual, 200mA LDOs
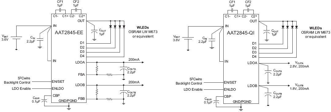
- User-Programmable Outputs: AAT2845-EE
- Fixed Output Voltages
- AAT2845-QG: 2.8V and 1.5V
- AAT2845-QI: 2.8V and 1.8V
- Automatic Soft-Start
- Over-Temperature Protection
- Available in 3x4mm TQFN34-20 Package
- 40°C to +85°C Temperature Range
|
应用领域 APPLICATION
- Camera-Enabled Mobile Devices
- Digital Still Cameras
- Multimedia Mobile Phones
订购信息 Ordering Information
AAT2845 典型应用

|