AAT2862 Backlight LED Driver and Multiple LDO Lighting Management Unit
The AAT2862 is a monolithically integrated dual N-channel high-voltage cascode-clamp lateral TrenchDMOS array. The dual-channel AAT2862 monolithically integrates both current-sink (CS) and high-voltage cascode-clamp (CC) power MOSFETs required for reliably driving a large series string of LEDs as used in a variety of lighting and display backlight applications. The AAT2862’s low-voltage current-sink (CS) device, required for closed-loop current control in large panel LED driver applications, is constructed using Skyworks' robust lateral TrenchDMOS process featuring superior hot carrier performance needed for reliable constantcurrent operation. It has a low on resistance, typically 1.5Ω, facilitating constant current operation over a wide dynamic range. The low-voltage current-sink Lateral TrenchDMOS process features a low threshold voltage (VGS(ON)) and can be driven directly from a 5V supply. The high-voltage cascode-clamp TrenchDMOS device has a drain-to-source voltage rating of 150V. With a 12V gate drive, it exhibits a typical on-resistance of 5Ω. In high-voltage LED backlighting applications for TVs and large-screen LCD panels, the AAT2862 TrenchDMOS array allows control of two series strings of LEDs with up to 40 LEDs per string. Each series connected TrenchDMOS pair comprises a current sink device with its gate actively driven by a backlight driver IC (such as the AAT2430A-1 or the AAT2405). To facilitate direct temperature measurement of the AAT2862 in a system, a series connected string of P-N junction diodes is included with both anode and cathode connections available separate from the supply.
技术特性
- Input Voltage Range: 2.7V to 5.5V
- AS2Cwire Serial Interface
- Tri-Mode Charge Pump
- Drives up to Eight LEDs (Backlight/Flash)
- Programmable Backlight Current Settings
- 31mA Maximum Current per Channel
- 32 Linear Current Settings
- ndependent Main/Sub Settings
- Programmable Fade-In and Fade-Out
- Programmable Flash Current
- 600mA Total Flash Current
- 16 Linear Current Settings
- 1- or 2-Channel Configuration
- 1MHz Switching Frequency
- Automatic Soft-Start
- Three Linear Low Dropout Regulators
- 300mA Output Current
- 150mV Dropout
- Programmable Output Voltage from 1.2V to 3.3V
- Output Auto-Discharge for Fast Shutdown
- Built-In Thermal Protection
- Automatic Soft Start
- 40°C to +85°C Temperature Range
- TQFN34-24 Package
|
应用领域 APPLICATION
- Camera Enabled Mobile Devices
- Digital Still Cameras
- Multimedia Mobile Phones
订购信息 Ordering Information
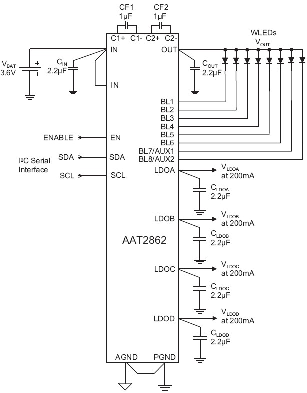
AAT2862 典型应用

|