AAT2866 Backlight LED Driver and Multiple LDO Lighting Management Unit
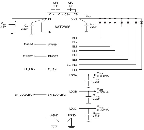
The AAT2866 is a highly integrated charge pump-based lighting management unit (LMU) offering eight LED channels with three linear regulators optimized for single- cell lithium-ion/polymer systems. The charge pump provides power for all LED outputs and multiple backlight and flash LED configurations are available. The backlight LED channel outputs are programmable up to 31mA and the total flash LED output current can be programmed up to 600mA. Skyworks' AS2Cwire™ single-wire interface is used to enable, disable, and set the current to one of 32 levels for the backlight and one of 16 levels for the flash. A separate flash enable and programmable safety timer are included for easy flash control. Backlight current matching is better than 3% for uniform display brightness, and flash current matching is better than 5% for uniform power dissipation. As an alternative, the main backlight LED's output current can be controlled via pulse width modulation (PWM). The AAT2866 also offers three high-performance low-noise MicroPower™ low dropout (LDO) linear regulators. The regulators output voltages are set through the AS2Cwire serial interface. Each LDO can supply up to 300mA load current and ground-pin current is only 80μA making the AAT2866 ideal for battery-operated applications. The AAT2866 is available in a Pb-free, space-saving TQFN34-24 package and operates over the -40°C to +85°C ambient temperature range.
技术特性
- Input Voltage Range: 2.7V to 5.5V
- AS2Cwire Serial Interface
- Tri-Mode Charge Pump
- Drives up to Eight LEDs (Backlight/Flash)
- Programmable Backlight Current Settings
- 31mA Maximum Current per Channel
- 32 Linear Current Settings
- ndependent Main/Sub Settings
- Programmable Fade-In and Fade-Out
- Programmable Flash Current
- 600mA Total Flash Current
- 16 Linear Current Settings
- 1- or 2-Channel Configuration
- 1MHz Switching Frequency
- Automatic Soft-Start
- Three Linear Low Dropout Regulators
- 300mA Output Current
- 150mV Dropout
- Programmable Output Voltage from 1.2V to 3.3V
- Output Auto-Discharge for Fast Shutdown
- Built-In Thermal Protection
- Automatic Soft Start
- 40°C to +85°C Temperature Range
- TQFN34-24 Package
|
应用领域 APPLICATION
- Camera Enabled Mobile Devices
- Digital Still Cameras
- Multimedia Mobile Phones
订购信息 Ordering Information
AAT2866 典型应用

|