AAT3142 High Efficiency 1X/1.5X Fractional Charge Pump for White LED Applications
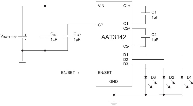
The AAT3142 is a low noise, constant frequency charge pump DC/DC converter that uses a tri-mode load switch (1X), fractional (1.5X), and doubling (2X) conversion to maximize efficiency for white LED applications. The device produces current levels up to 30mA on each of its three current source outputs to drive various arrangements of LEDs from a 2.7V to 5.5V input. Outputs may be operated individually or in parallel for driving higher-current LEDs. A low external parts count (two 1μF flying capacitors and two small 1μF capacitors at VIN and CP) make the AAT3142 ideally suited for small battery-powered applications. Skyworks' Simple Serial Control™ (S2Cwire™) digital input is used to enable, disable, and set the LED drive current with a 32-level logarithmic scale LED brightness control. The AAT3142 has a thermal management system to protect the device in the event of a short-circuit condition at an output pin. Built-in soft-start circuitry prevents excessive inrush current during start-up. A high charge pump switching frequency enables the use of very small external capacitors. In shutdown mode, the device disconnects the load from VIN and reduces quiescent current to less than 1μA. The AAT3142 is available in the very small, Pb-free 12-pin TSOPJW package.
技术特性
- VIN Range: 2.7V to 5.5V
- <1.0μA of Shutdown Current
- 1MHz Switching Frequency
- White LED Backlighting
- Fully Independent Display Lighting
- Dual Mode 1X and 1.5X Charge Pump for Maximum Efficiency
- Drives Low-VF and High-VF Type LEDs
- Up to Three 20mA Outputs
- Single 30mA Output
- Multi-Position Logarithmic Scale with Digital Control
- Low Noise Constant Frequency Operation
- Regulated Output Current
- Automatic Soft Start
- No Inductors
- Temperature Range: -40°C to +85°C
- 12-Pin TSOPJW Package
|
应用领域 APPLICATION
- Color (RGB) Lighting
- Programmable Current Source
- White LED Backlighting
- White Photo Flash for Digital Still Cameras
订购信息 Ordering Information
AAT3142 典型应用

|