AAT3157 High Efficiency 1X/1.5X/2X Charge Pump for White LED Applications
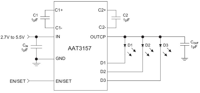
The AAT3157 is a low noise, constant frequency charge pump DC/DC converter that uses a tri-mode load switch (1X), fractional (1.5X), and doubling (2X) conversion to maximize efficiency for white LED applications. The AAT3157 is capable of driving six LED channels at a total of 180mA from a 2.7V to 5.5V input. The current sinks may be operated individually or in parallel for driving higher-current LEDs. A low external parts count (two 1μF flying capacitors and two small 1μF capacitors at VIN and VOUT) make this part ideally suited for small, battery-powered applications. Skyworks' AS2Cwire™ (Advanced Simple Serial Control) serial digital input is used to enable, disable, and set current for each LED with a 16-level logarithmic scale plus four low-current settings down to 50μA for optimized efficiency, with a low housekeeping current of only 50μA. Each output of the AAT3157 is equipped with built-in protection for VOUT short circuit and auto-disable for LED failure conditions. Built-in soft-start circuitry prevents excessive inrush current during start-up. A low-current shutdown feature disconnects the load from VIN and reduces quiescent current to less than 1μA. The AAT3157 is available in a Pb-free, space-saving, thermally-enhanced 16-pin 4x4mm QFN package.
技术特性
- VIN Range: 2.7V to 5.5V
- Fully Programmable Current with Single Wire
- 16 Current Levels
- Four Low Current Settings Down to 50μA
- Low IQ (50μA) for Low Current Mode
- Tri-Mode 1X, 1.5X, and 2X Charge Pump for Maximum Efficiency and VF Coverage
- Drives up to Three Channels of LEDs
- No Inductors, Low Noise Operation
- 1MHz Constant Switching Frequency
- Small Application Circuit
- Built-In Thermal Protection
- Automatic Soft Start
- IQ <1μA in Shutdown
- 2.85x3.0mm TSOPJW-12 Package
|
应用领域 APPLICATION
- Color (RGB) Lighting
- Programmable Current Sinks
- White LED Backlighting
- White Photo Flash for Digital Still Cameras
订购信息 Ordering Information
AAT3157 典型应用

|