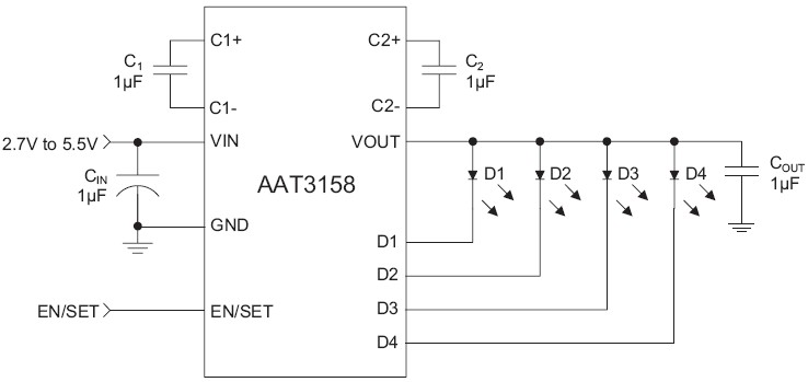
AAT3158 High Efficiency 1X/1.5X/2X Charge Pump for White LED Applications
The AAT3158 is a low noise, constant frequency charge pump DC/DC converter that uses a tri-mode load switch (1X), fractional (1.5X), and doubling (2X) conversion to maximize efficiency for white LED applications. The AAT3158 is capable of driving up to four LED channels at 20mA per channel from a 2.7V to 5.5V input. The current sinks may be operated individually or in parallel for driving higher current LEDs. A low external parts count (two 1μF flying capacitors and two small 1μF capacitors at VIN and VOUT) make this part ideally suited for small, battery-powered applications. Skyworks' S2Cwire™ (Simple Serial Control) serial digital input is used to enable, disable, and set current for each LED with 16 settings down to 50μA. The low current mode supply current can be as low as 50μA to save power. Each output of the AAT3158 is equipped with built-in protection for VOUT short circuit and auto disable for load short-circuit conditions. Built-in soft-start circuitry prevents excessive inrush current during start-up. A low current shutdown feature disconnects the load from VIN and reduces quiescent current to less than 1μA. The AAT3158 is available in a Pb-free, space-saving 2.85x3.0mm TSOPJW-12 package.
技术特性
- VIN Range: 2.7V to 5.5V
- Fully Programmable Current with Single Wire
- 16 Current Levels
- Four Low Current Settings Down to 50μA
- Low IQ (50μA) for Low Current Mode
- Tri-Mode 1X, 1.5X, and 2X Charge Pump for Maximum Efficiency and VF Coverage
- Drives up to Three Channels of LEDs
- No Inductors, Low Noise Operation
- 1MHz Constant Switching Frequency
- Small Application Circuit
- Built-In Thermal Protection
- Automatic Soft Start
- IQ <1μA in Shutdown
- 2.85x3.0mm TSOPJW-12 Package
|
应用领域 APPLICATION
- Color (RGB) Lighting
- Programmable Current Sinks
- White LED Backlighting
- White Photo Flash for Digital Still Cameras
订购信息 Ordering Information
AAT3158 典型应用

|