AAT3166 High Efficiency 1X/1.5X/2X Charge Pump for White LED Applications
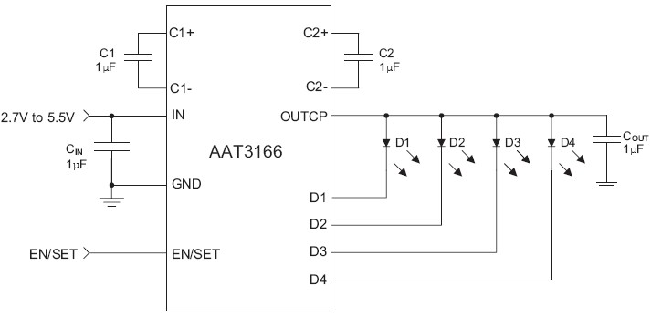
The AAT3166 is a low noise, constant frequency charge pump DC/DC converter that uses a tri-mode load switch (1X), fractional (1.5X), and doubling (2X) conversion to maximize efficiency for white LED applications. The AAT3166 is capable of driving up to four LED channels at 20mA per channel from a 2.7V to 5.5V input. The current sinks may be operated individually or in parallel for driving higher current LEDs. A low external parts count (two 1μF flying capacitors and two small 1μF capacitors at VIN and VOUT) make this part ideally suited for small, battery-powered applications. Skyworks' S2Cwire™ (Simple Serial Control) serial digital input is used to enable, disable, and set current for each LED with 16 settings down to 50μA. The low current mode supply current can be as low as 50μA to save power. Each output of the AAT3166 is equipped with built-in protection for VOUT short circuit and auto disable for load short-circuit conditions. Built-in soft-start circuitry prevents excessive inrush current during start-up. A low current shutdown feature disconnects the load from VIN and reduces quiescent current to less than 1μA. The AAT3166 is available in a Pb-free, space-saving 2.85x3.0mm TSOPJW-12 package.
技术特性
- VIN Range: 2.7V to 5.5V
- Tri-Mode (1X/1.5X/2X) Charge Pump Operation
- Maximizes Efficiency and LED VF Coverage
- 1MHz Constant Switching Frequency
- No Inductors, Low Noise Operation
- Drives Six Channels of LEDs up to 30mA/ Channel
- User-Programmable RSET Sets Maximum LED Current
- Excellent LED Channel-to-Channel Current Match
- Digitally Programmable LED Current with Single-Wire S2Cwire Inerface
▪ 16 Current Levels From ILED_MAX to 50μA
- Low IQ (70μA) for Low Current Mode Operation
- True Load Disconnect in Shutdown; IQ < 1μA
- Built-In Thermal Protection
- Built-In Auto-Disable for Open LED Circuit
- Automatic Soft-Start Minimizes Inrush Startup Current
- Small 3x4mm TDFN34-16 Package
|
应用领域 APPLICATION
- Color (RGB) Lighting
- Programmable Current Sink
- Transmissive LCD Display
- White LED Backlighting
- White Photo Flash for Digital Still Cameras
订购信息 Ordering Information
AAT3166 典型应用

|