AAT3176 500mA LED Flash Driver
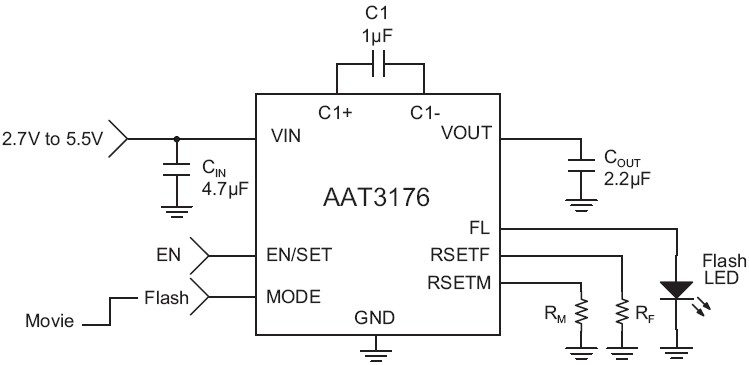
The AAT3176 is a high output current, high efficiency, low noise, low profile charge pump converter IC, ideal for multi-function LED photo-flash applications where solution cost, size, and efficiency are critical. The charge pump is capable of delivering up to 500mA of output current and can be easily programmed in 16 steps with a single GPIO output through SKYWORKS' S2Cwire™ (Simple Serial Control) interface. This allows smooth transitions and flexible adjustment of brightness in flash or other lighting modes. Operating at a fast 1MHz switching frequency, the dual-mode (1x/2x) operation of the internal charge pump offers excellent power efficiency for both flash and movie modes and combined with a low external parts count (one 1μF flying capacitors and small bypass capacitors at VIN and OUT), the AAT3176 is ideally suited for small, battery-powered applications. The maximum current for both Flash and Movie mode is set by two independent external resistors. The MODE pin is adopted to select the LED current between Movie (Torch) and Flash mode. The AAT3176 has a thermal management system to protect the device in the event of short-circuit, open-circuit, and over-temperature condition. Built-in soft-start circuitry prevents excessive in-rush current during startup. The shutdown feature disconnects the load from VIN and reduces quiescent current to less than 1.0μA. The AAT3176 is available in the 2.2 x 2.2mm Pb-free 10-pin TDFN package.
技术特性
- 2.7V to 5.5V Supply Voltage Range
- Up to 500mA Output Drive Capability at 3.6V V IN
- Flexible Brightness Control
- 16 Step Output Current by S2Cwire
- Separate External Resistors to Set Maximum Flash and
Movie-Mode Current
- Dual Mode 1x/2x Charge Pump
- < 1.0μA in Shutdown
- Small Application Circuit
- Automatic Soft-Start Limits Inrush Current
- Open- and Short-Circuit Protection
- Thermal Shutdown Protection
- -40 to +85°C Temperature Range
- 10-pin TDFN2.2x2.2 Package
订购信息 Ordering Information
|
应用领域 APPLICATION
- Digital Still Cameras (DSC)
- LED Photo Flash/Torch
- Mobile Handsets
- PDAs and Notebook PCs
功能框图 Functional Block Diagram

|