AAT3194 High Efficiency 1.5X Fractional Charge Pump For White LED Applications
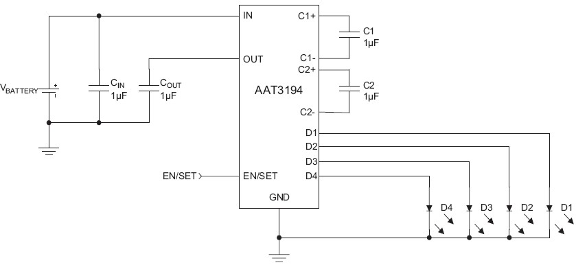
The AAT3194 is a low noise, constant frequency charge pump DC/DC converters that use fractional (1.5X) conversion to increase efficiency in white LED applications. The devices can be used to produce current levels up to 20mA for each output from a 2.7V to 5.5V input. A low external parts count (two 1μF flying capacitors and two small bypass capacitors at IN and OUT) makes these devices ideally suited for small, battery-powered applications. Skyworks' Simple Serial Control™ (S2Cwire™) interface is used to enable, disable, and set the LED drive current for 32-level logarithmic scale LED brightness control. The AAT3194 has a thermal management system for protection in the event of a short-circuit condition on any of the output pins. Built-in soft-start circuitry prevents excessive inrush current during start-up. A high switching frequency enables the use of small external capacitors. A low-current shutdown feature disconnects the load from VIN and reduces quiescent current to less than 1μA. The AAT3194 is available in a Pb-free 12-pin TSOPJW package.
技术特性
- VIN Range: 2.7V to 5.5V
- 20mA Full-Scale Current
- Simple Serial Control (S2Cwire) Interface
- 32-Position Logarithmic Scale with Digital Control
- Low Noise Constant Frequency Operation
- 33% Less Input Current Than Doubler Charge Pump
- High Accuracy Brightness Matching
- Small Application Circuit
- Regulated Output Current
- Automatic Soft Start
- No Inductors
- 600kHz Switching Frequency
- IQ <1μA in Shutdown
- Temperature Range: -40°C to 85°C
- 12-Pin TSOPJW Package
|
应用领域 APPLICATION
- Programmable Current Source
- White LED Backlighting
订购信息 Ordering Information
AAT3194 典型应用

|