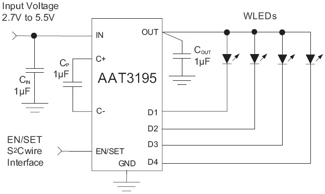
AAT3195 Four-Channel Charge Pump LED Driver
The AAT3195 is a charge-pump based, current-sink white LED driver capable of driving one to four LEDs up to 30mA, each. It automatically switches between 1x mode and 2x mode to maintain the highest efficiency and optimal LED current accuracy and matching. The AAT3195 charge pump’s 1x mode (bypass mode) has very low resistance allowing LED current regulation to be maintained with input supply voltage approaching the LED forward voltage. The AAT3195 incorporates an internal RSET and is available in a thermally enhanced, Pb-free 2x2.2mm 10-lead SC70JW-10 package.
技术特性
- Drives up to 4 LEDs at up to 30mA, each
- Automatic Switching Between 1x and 2x Modes
- 1MHz Switching Frequency
- Linear LED Output Current Control
- Single-wire, S2Cwire™ Interface
- AAT3195-1: 30mA, 32-step
- AAT3195-2: 20mA, 32-step
- ON/OFF or PWM Interface
- AAT3195-3
- ±10% LED Output Current Accuracy
- 3% LED Output Current Matching
- Low-current Shutdown Mode
- Built-in Thermal Protection
- Automatic Soft-start
- 2x2.2mm SC70JW-10 Package
|
应用领域 APPLICATION
- Cordless Phone Handsets
- Digital Cameras
- Mobile Phone Handsets
- MP3 and PMP Players
订购信息 Ordering Information
AAT3195 典型应用

|