AAT3244 300mA Adjustable Dual CMOS Low Voltage LDO Linear Regulator
The AAT3244 is a dual, low input voltage, low dropout (LDO) linear regulator. Two integrated regulators provide high power outputs of 300mA from an input voltage range of 1.62V to 5.5V. The AAT3244 has independent voltage inputs and enable pins for increased design flexibility. The device features a very low quiescent current (typically 85μA) and low dropout voltages (200mV at full load), making it ideal for portable applications where battery life is critical. The AAT3244 is available in a space-saving, Pb-free 12-pin TSOPJW package and is capable of operation over the -40°C to +85°C temperature range.
技术特性
- Low Input Voltage
- 1.62V to 5.5V
- Ultra-Low Adjustable Output Voltage
- 3.6V to 0.6V
- High Output Current
- 300mA per LDO
- Low Dropout Voltage
- Typ 200mV @ 300mA
- Low 85μA Quiescent Current (Both LDOs On)
- High Output Accuracy: ±1.5%
- Independent Input Supply and Enable Pins
- Over-Temperature Protection
- 12-Pin TSOPJW Package
- -40°C to +85°C Temperature Range
订购信息 Ordering Information
|
应用领域 APPLICATION
- Cellular Phones
- Digital Cameras
- Handheld Instruments
- Microprocessor/DSP Core/IO Power
- PDAs and Handheld Computers
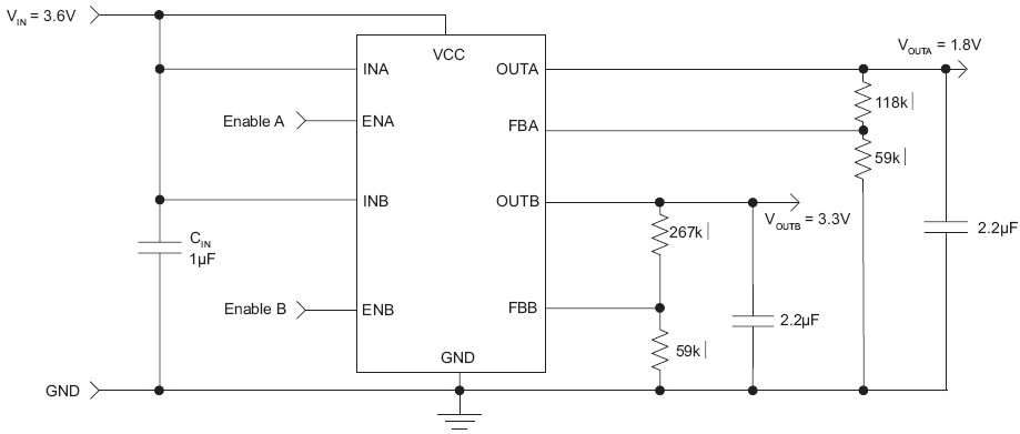
AAT3244 典型应用

|