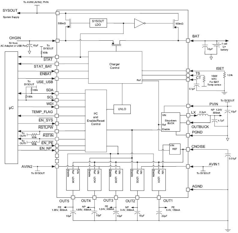
AAT3601 Total Power Solution for Portable Applications
The AAT3601 is a member of Skyworks' Total Power Management IC (TPMICTM) product family. It contains a single-cell Lithium Ion/Polymer battery charger, a fully integrated step-down converter and 5 low dropout (LDO) regulators. The device also includes 2 load switches for dynamic power path/sleep mode operation, making it ideal for small portable short-range communications enabled mobile devices and telephones. The battery charger is a complete thermally regulated constant current/constant voltage linear charger. It includes an integrated pass device, reverse blocking protection, high accuracy current and voltage regulation, charge status, and charge termination. The charging current and the charge termination current as well as recharge voltage are programmable with either an external resistor and/or by a standard I2C interface. The step-down DC/DC converter is integrated with internal compensation and operates at a switching frequency of 1.5MHz, thus minimizing the size of external components while keeping switching losses low and efficiency greater than 95%. All LDO output voltages are programmable using the I2C interface. The five LDOs offer 60dB power supply rejection ratio (PSRR) and low noise operation making them suitable for powering noise-sensitive loads. The LDOs and DC/DC converter are separated into Permanent-Enabled (PE) and Non-Permanent (NP) enabled supplies. All six voltage regulators operate with low quiescent current. The total no load current when the 3 PE LDOs are enabled is only 200μA. The device includes a watchdog timer input and two reset outputs for the watchdog and LDO regulation. The device also can be programmed through a standard I2C interface. The AAT3601 is available in a thermally enhanced low profile 5x5x0.8mm 36-pin TQFN package.
技术特性
- Voltage Regulator VIN Range: 4.5V to 6V
- Complete Power Integration
- Integrated Load Switches to Power Converters from AC Adapter or Battery Automatically
- Low Standby Current
- 200μA (typ) w/LDO1, LDO2 and LDO5 Active,
No Load
- One Step-Down Buck Converter (NP)
- 1.24V, 300mA Output
- 1.5MHz Switching Frequency
- Fast Turn-On Time (120μs typ)
- Five LDOs Programmable by I2C
- LDO1: 3.4V, 150mA (PE)
- LDO2: 3.4V, 300mA (NP)
- LDO3: 1.24V, 300mA (PE)
- LDO4: 1.85V, 300mA (NP)
- LDO5: 1.85V, 300mA (PE)
- PSRR: 60dB @10kHz
- Noise: 50μVrms
- One Battery Charger
- Digitized Thermal Regulation
- Charge Current Programming up to 1.4A
- Charge Current Termination Programming
- Automatic Trickle Charge for Battery Preconditioning (2.8V Cutoff)
- Watchdog (WDI) Timer Input
- Two Reset (RSTIN, RSTLPW) Timer Outputs
- Separate Enable Pins for PE and NP Supplies
- Digital Programming of Major Parameters via I2C
- Over-Current Protection
- Over-Temperature Protection
- 5x5mm TQFN55-36 Package
|
应用领域 APPLICATION
- Digital Cameras
- GSM or CDMA Cellular Phones
- Handheld Instruments
- PDAs and Handheld Computers
- Portable Media Players
- Short-Range Communication Headsets
订购信息 Ordering Information
AAT3601 典型应用

|