AAT3603A Total Power Solution for Portable Applications
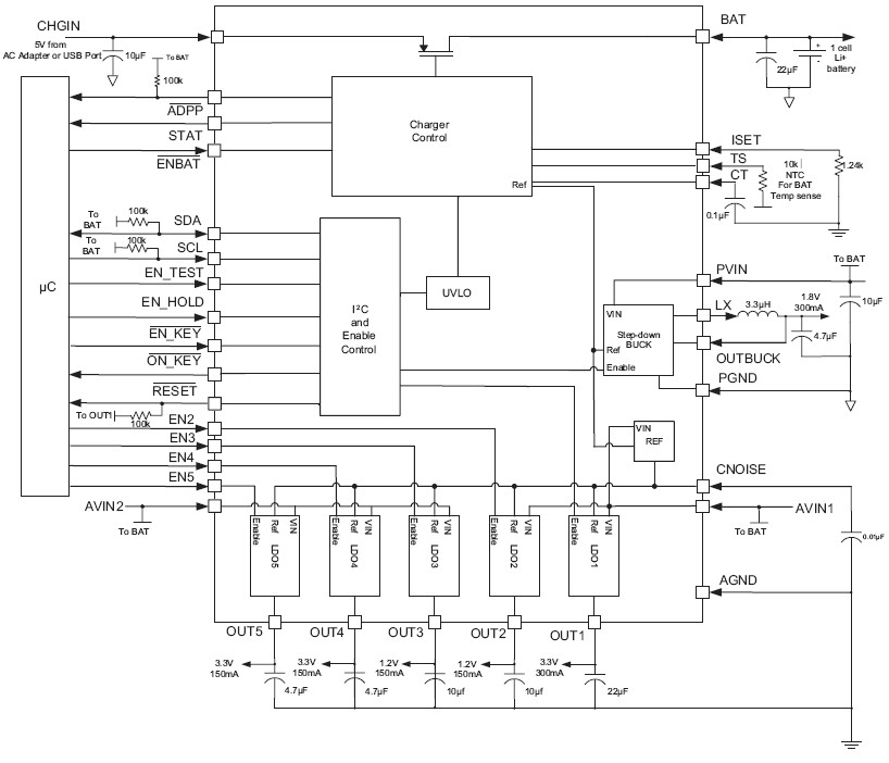
The AAT3603A is a member of Skyworks' Total Power Management IC (TPMICTM) product family. It contains a single-cell Lithium Ion/Polymer battery charger, a fully integrated step-down converter and 5 low dropout (LDO) regulators. The device is ideal for low cost PND or GPS applications. The battery charger is a complete thermally regulated constant current/constant voltage linear charger. It includes an integrated pass device, reverse blocking protection, high accuracy current and voltage regulation, charge status, and charge termination. The charging current, charge termination current, and recharge voltage are programmable with an external resistor and/or by a standard I2C interface. The step-down DC/DC converter is integrated with internal compensation and operates at a switching frequency of 1.5MHz, thus minimizing the size of external components while keeping switching losses low and efficiency greater than 92%. The output voltages of LDO1, LDO4, and LDO5 are programmable using the I2C interface. The five LDOs offer 60dB power supply rejection ratio (PSRR) and low noise operation making them suitable for powering noise-sensitive loads. All six voltage regulators operate with low quiescent current. The total no load current when the step-down converter and 2 LDOs are enabled is only 170μA. The AAT3603A is available in a thermally enhanced, low-profile 5x5x0.8mm 36-pin TQFN package.
技术特性
- Voltage Regulator VIN Range: 4.5V to 6V
- Low Cost Power Integration
- Low Standby Current
- 170μA (typ) w/ Buck, LDO1, and LDO2 Active,
No Load
- One Step-Down Buck Converter
- 1.8V, 300mA Output
- 1.5MHz Switching Frequency
- Fast Turn-On Time (100μs typ)
- Three LDOs Programmable with I2C
- LDO1: 3.3V, 300mA
- LDO4: 3.3V, 150mA
- LDO5: 3.3V, 150mA
- PSRR: 60dB@10kHz
- Noise: 50μVrms for LDO3, LDO4, and LDO5
- One Battery Charger
- Digitized Thermal Regulation
- Charge Current Programming up to 1.4A
- Charge Current Termination Programming
- Automatic Trickle Charge for Battery Preconditioning (2.8V Cutoff)
- Adapter OK (ADPP) and Reset (RESET) Timer Outputs
- Separate Enable Pins for Supply Outputs
- Over-Current Protection
- Over-Temperature Protection
- 5x5mm TQFN55-36 Package
|
应用领域 APPLICATION
- GPS and PND
- Digital Cameras
- Handheld Instruments
- PDAs and Handheld Computers
- Portable Media Players
订购信息 Ordering Information
AAT3603A 典型应用

|