AAT4280 Dual Slew Rate Controlled Load Switch
The AAT4280 SmartSwitch is a P-channel MOSFET power switch designed for high-side load switching applications. The P-channel MOSFET device has a typical RDS(ON) of 80mW, allowing increased load switch power handling capacity. This device is available in three different versions with flexible turn on and off characteristics from very fast to slew rate limited. The standard AAT4280 (-1) version has a slew rate limited turn on load switch and is functionally compatible with the AAT4250 device while offering superior RDS(ON) characteristics. The AAT4280 (-2) version features fast load switch turn on capabilities, typically less than 500ns turn on and 3μs turn off times. The AAT4280 (-3) variation offers a shutdown load discharge circuit to rapidly turn off a load circuit when the switch is disabled. All AAT4280 load switch versions operate with an input voltage ranging from 1.8V to 5.5V, making them ideal for both 3V and 5V systems. The AAT4280 also features an under-voltage lockout which turns the switch off when an input under-voltage condition exists. Input logic levels are TTL and 2.5V to 5V CMOS compatible. The quiescent supply current is very low, typically 2.5μA. In shutdown mode, the supply current decreases to less than 1μA. The AAT4280 is available in a Pb-free, 6-pin SOT23 or 8-pin SC70JW package and is specified over the -40°C to +85°C temperature range.
技术特性
- 1.8V to 5.5V Input Voltage Range
- Very Low RDS(ON), Typically 80mW (5V)
- Slew Rate Limited Turn-On Time Options
- 1ms
- 0.5μs
- 100μs
- Fast Shutdown Load Discharge Option
- Low Quiescent Current
- 2.5μA Typical
- 1μA Max in Shutdown
- TTL/CMOS Input Logic Level
- Temperature Range: -40ºC to +85°C
- 4kV ESD Rating
- 6-Pin SOT23 or 8-Pin SC70JW Package
订购信息 Ordering Information
|
应用领域 APPLICATION
- Cellular Telephones
- Digital Still Cameras
- Hot Swap Supplies
- Notebook Computers
- Personal Communication Devices
- Personal Digital Assistants (PDA)
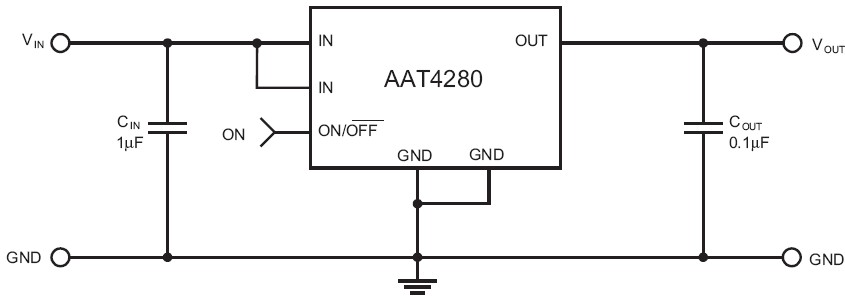
AAT4280 典型应用

|