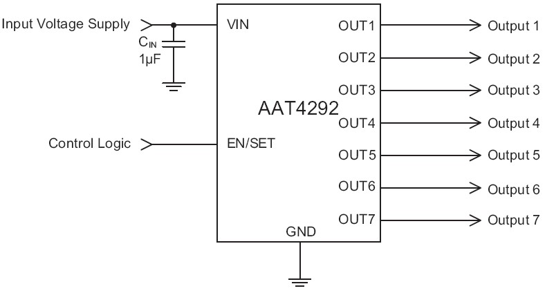
AAT4292 Seven-Channel High Side I/O Expander
The AAT4292 SmartSwitchTM is a member of Skyworks' Application Specific Power MOSFET (ASPMTM) product family. The AAT4292 has seven P-channel MOSFETs configured for use as a high side microprocessor GPIO expander powered from a common supply source. Operating over a 1.8V to 5.5V range, the AAT4292 is ideal for portable Li-Ion/Polymer powered products. The state of each output channel is controlled with a single GPIO line via the EN/SET pin using Skyworks' Simple Serial Control (AS2Cwire™) interface. The switch states are controlled by Skyworks' Simple Serial Control (AS2Cwire) interface which permits ease of control and efficiency of size. The quiescent supply current is very low, typically 6.3μA. In shutdown mode, the supply current is reduced to less than 1μA. The AAT4292 is offered in a Pb-free, 10-pin SC70JW package specified over the -40°C to +85°C temperature range.
技术特性
- VIN Range: 1.8V – 5.5V
- 7 Independent Output Channels
- 1.1Ω RDS(ON) per Channel
- User Programmable AS2Cwire Interface
- Low Quiescent Current
- 6.3μA Operational
- 0.1μA in shutdown
- 40°C to +85°C Temperature Range
- Available in SC70JW-10 Package
订购信息 Ordering Information
|
应用领域 APPLICATION
- Cell Phone Keypad, Backlight And Fashion Lighting Control
- I/O Expander
- Media Players
- Multiple Channel Low Power Switching
- Portable Electronic Devices
AAT4292 典型应用

|