AAT4295 Single/Dual RGB Controller
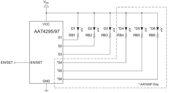
The AAT4295/97 SmartSwitch is a member of Skyworks' Application Specific Power MOSFET (ASPM™) product family. The AAT4295/97 is comprised of three/six low-side N-channel MOSFET switches that gate an applied load to ground. This device is intended for controlling RGB fashion lighting in portable products; it can also be used for a combination of general purposes where a load requires a low-side switch connection to ground. The AAT4295/97 simplifies design and layout limitations by eliminating the need for multiple GPIO control lines and discrete MOSFETs to control product features. The state of each output channel is controlled with a single GPIO line via the EN/SET pin using Skyworks' Simple Serial Control (S2Cwire™) interface. After a short set of data pulses is sent to the EN/SET input and the line is pulled to logic high, the device is enabled with the desired switch configuration. In the enabled state, the AAT4295/97 typically consumes less than 3μA of quiescent current. When EN/SET is pulled to a logic low, the device is disabled and each output switch is placed in a high impedance open state. The AAT4295 and AAT4297 operate over an input voltage range of 1.8V to 5.5V, making them ideal for battery- powered applications. The three-switch AAT4295 is offered in a Pb-free, 8-pin SC70JW package, while the six-switch AAT4297 is offered in a Pb-free, 12-pin TSOPJW package. Both devices are rated over the -40°C to +85°C temperature range.
技术特性
- VIN Range: 2.7V to 5.5V
- Adjustable ± Dual Charge Pump
- Positive Supply Output Up to +25V
- Negative Supply Output Down to -25V
- Up to 30mA Output Current
- 1.0MHz Switching Frequency
- <1.0μA Shutdown Current
- Internal Power MOSFETs
- Internally Controlled Soft Start
- Fast Transient Response
- Ultra-Thin Solution (No Inductors)
- -40°C to +85°C Temperature Range
- Available in 8-Pin MSOP or 12-Pin TSOPJW Package
|
应用领域 APPLICATION
- Cell Phones
- Multiple Low Power Switching
- Personal Communication Devices
- Portable Electronic Devices
订购信息 Ordering Information
AAT4295 典型应用

|