AAT4614 Adjustable Current Limited Load Switch with Fault Flag
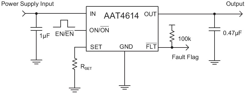
The AAT4614 SmartSwitch is a current limited P-channel MOSFET power switch designed for high side load switching applications. This switch operates with inputs ranging from 2.4V to 5.5V, making it ideal for both 3V and 5V systems. An integrated current-limiting circuit protects the input supply against large currents which may cause the supply to fall out of regulation. Reverse current blocking is provided to protect the load switch from reverse current potentials while the device is shutdown. The AAT4614 is also protected from thermal overload which is limited by power dissipation and junction temperatures. Current limit threshold is programmed with a resistor from SET to ground and may be adjusted for levels up to 1.4A. The ultra-fast current limit response to a sudden short circuit is a mere 1μs which reduces the requirements of local supply bypassing. An open drain FAULT flag signals an over-current or over-temperature condition after a 4ms blanking time to prevent false reporting. Quiescent current is a low 10μA and the supply current decreases to less than 1μA in shutdown mode. The AAT4614 is offered in the small Pb-free, 8-pin SC70JW, SOT23-6 and SOT23-5 packages, and is specified for operation over the -40°C to +85°C ambient temperature range.
技术特性
- Input Voltage Range: 2.4V to 5.5V
- Programmable Over-Current Threshold
- Fast Transient Response:
- 1μs Response to Short Circuit
- Low Quiescent Current
- 10μA Typical while Enabled
- 1μA Max with Switch Off (TA = 25°C)
- 130mΩ Typical RDS(ON)
- Only 2.4V Needed for ON/OFF Control
- Under-Voltage Lockout
- Reverse Blocking During Disable
- 4ms Fault Blanking
- Fault Flag Open Drain Output
(Not Available for SOT23-5 Package)
- Active Hi/Lo Enable Options
- Over-Temperature Protection
- 4kV ESD Rating
- 6-Pin SOT23, 5-Pin SOT23,or 8-Pin SC70JW Package
- Temperature Range: -40°C to +85°C
订购信息 Ordering Information
|
应用领域 APPLICATION
- Hot Swap Supplies
- Notebook Computers
- Portable Products
- Proprietary Peripheral Ports
- USB Ports
AAT4614 典型应用

|