AAT4616A High Precision Adjustable Current Limited Load Switch with Fault Flag
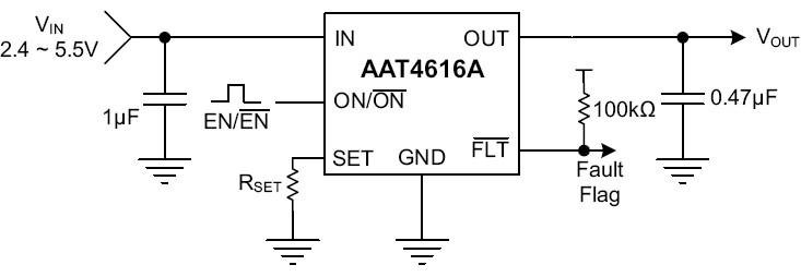
The AAT4616A SmartSwitch is a current limited P-channel MOSFET power switch designed for high side load switching applications. This switch operates with inputs ranging from 2.4V to 5.5V, making it ideal for both 3V and 5V systems. An integrated, highly accuarate current-limiting circuit protects the input supply against large currents which may cause the supply to fall out of regulation. Reverse current blocking is provided to protect the load switch from reverse current flows while the device is in shutdown. The AAT4616A is also protected from thermal overload which limits power dissipation and junction temperature. Current limit threshold is programmed with a resistor from SET to ground and may be adjusted for load levels up to 1.6A. The ultra-fast current limit response to a sudden short circuit is a mere 2μs which reduces the requirements of local supply bypassing. An open drain FAULT flag signals an over-current or over-temperature condition. To prevent false reporting, a 4ms time interval is used at startup (charging a capacitive load), where fault conditions are not monitored and reported. Quiescent current is a low 10μA and the supply current decreases to less than 1μA in shutdown mode. The AAT4616A is offered in the small Pb-free, 5-pin SOT23-5 and TDFN22-8 packages, and is specified for operation over the -40°C to +85°C ambient temperature range.
技术特性
- Input Voltage Range: 2.4V to 5.5V
- Programmable Over-current Limit Setting
300mA to 1.6A
- ±5% High Current Limit Precision at 750mA
- Fast Transient Response:
2μs Response to Short Circuit
- Low Quiescent Current
10μA Typical while Enabled
1μA Max with Switch Off
- 130mΩ Typical RDS(ON)
- Under-Voltage Lockout (UVLO)
- Reverse Blocking During Disable
- 4ms Fault Masking at Start-up (Capacitive Load)
- Fault Flag Open Drain Output
- Active Hi/Lo Enable Options
- Over Temperature Protection
- SOT23-5 and TDFN22-8 Package
- Temperature Range: -40°C to +85°
订购信息 Ordering Information
|
应用领域 APPLICATION
- USB Ports
- Portable Products
- Hot Swap Supplies
- Notebook Computers
- Proprietary Peripheral Ports
AAT4616A 典型应用

|