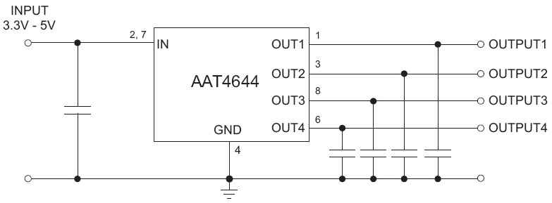
AAT4644 4-Channel Current Limited Load Switch
The AAT4644 is a four-channel resettable fuse. It utilizes independent current-limited and thermally-protected P-channel MOSFETs to protect against short circuits. Current limit is factory programmed at 1A. Additional protection is provided with under-voltage lockout. The switches are turned off when the input voltage drops below a preset level. The quiescent supply current is typically 20μA. The AAT4644 is a flexible solution, allowing system designers to gang outputs together for lower RDS(ON) and higher current limit. The AAT4644 is available in a Pb-free, 8-pin TSSOP or SOP package and is specified over the -40°C to +85°C temperature range.
技术特性
- 500mA per Channel Steady State
- 4 x 1A Current Limit Trip Point
- Over-Temperature Protection
- Fast Transient Response:
- 1μs (Typ) Response to Short Circuit
- 100m Typical RDS(ON)
- Under-Voltage Lockout
- Temperature Range: -40°C to +85°C
- 8-Pin TSSOP or SOP Package
订购信息 Ordering Information
|
应用领域 APPLICATION
- Desktop PCs
- Peripheral Ports
- USB Ports
AAT4644 典型应用

|