AHK1421 S2C Controlled, Serial LED Boost Driver

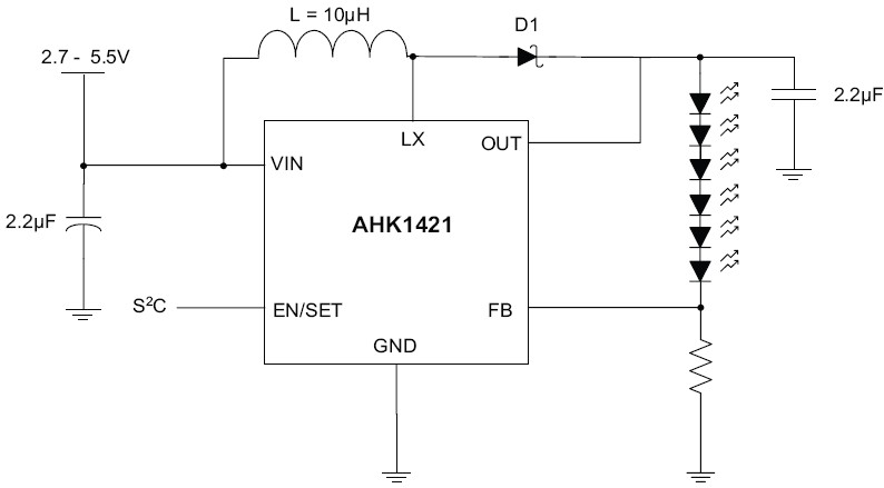
The AHK1421 is a step-up single channel LED driver with an input voltage range of 2.7V to 5.5V. The wide input voltage range, small solution size, advanced dimming features and high efficiency is suitable for LED backlight solutions for single cell Li-ion based equipment. A precision, high voltage current sink maintains the maximum LED current set by an external resistor from 10 to 31mA. The high switching frequency supports ultra small, low cost filtering components. Two dimming controls are available; 32 dimming steps using the S2Cwire™ interface, and filtered PWM control. The frequency range of the PWM dimming extends up to 100 kHz eliminating audible noise and suitable for CABC (Content Adaptive Brightness Control) applications. The device includes over-temperature protection and programmable over-voltage protection and recovers automatically when the faults are removed. The AHK1421 is available in a 10-pin wafer-level chip scale package (WLCSP) and is rated over the -40°C to +85°C temperature range.

技术特性
  • Input Voltage Range: 2.7 to 5.5V
  • Drives up to 37V with 8 Series LEDs at 31mA
  • 1MHz Switching Frequency Allows Small External Components
  • Up to 83% Efficiency with 10μH Inductor
  • Dimming Control Options:
  • 32 Steps - S2Cwire Single Wire Interface
  • Filtered PWM
  • Low Operating Current at 2.3mA
  • Shutdown Current < 1μA
  • Over-Voltage Protection for Open-LED Faults
  • Over-Temperature Protection
  • Ultra Small, Low Profile, 10-pin 1.55 x 1.15mm WLCSP Package
订购信息 Ordering Information
  • AHK1421

 

应用领域 APPLICATION
  • White LED backlight
    Feature phones
    Smartphones
    PDAs
    PMP
    PNDs
    Portable DVD Players
AHK1421 典型应用

AHK1421 典型应用

应用技术支持与电子电路设计开发资源下载 版本信息 大小
AHK1421 数据资料DataSheet下载:pdf Rev.V2 2 页