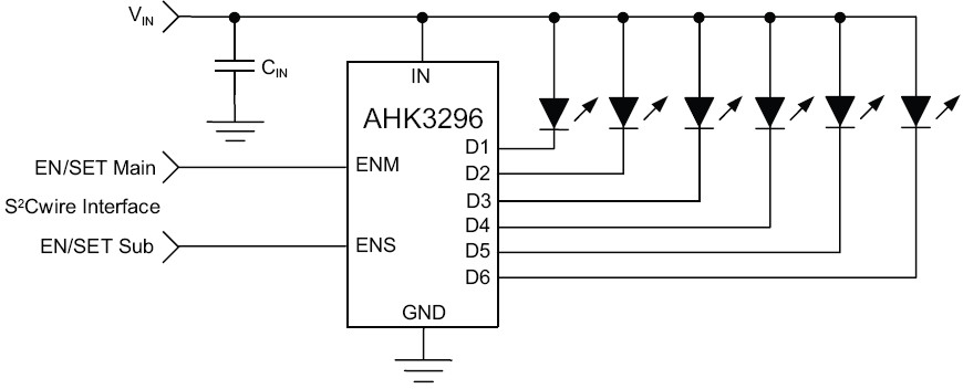
AHK3296 Six-Channel 1x Low Dropout LED Driver

The AHK3296 is a linear current-sink LED driver, capable of driving up to six LEDs at 20.6mA each. Featuring individual low resistance, low drop-out voltage current sinks, the AHK3296 allows the LEDs to be regulated directly from a Lithium Ion/Polymer battery without the need for an additional step-up power supply, thereby reducing the external component count, eliminating switching noise and maximizing efficiency. Skyworks Simple Serial Control™ (S2Cwire™) interface is used to enable, disable, and set the LED drive current for 32-level linear scale LED brightness control. To minimize the use of external components the LED current is set internally to a maximum of 20.6mA. The AHK3296 is packaged in a Pb-free, 10-pin SC70JW or 10-pin TDFN2x2.2 package and operates over the -40°C to +85°C temperature range.

技术特性
  • 2.7V to 5.5V Input Supply Range
    • Drives up to 6 LEDs at up to 20.6mA each
    • Low-Drop Out, Low Resistance Current Sinks
    ▪ Typically 40.5mV at Full Scale
    • Linear LED Output Current Control
    ▪ S2Cwire Interface
    • Single-wire
    • 32 Steps
    ▪ Independent LED Current Control for Main and Sub Group
    • ±10% LED Output Current Accuracy
    • ±3% LED Output Current Matching
    • Low Current Shutdown Mode
    • Two Package Options:
    ▪ Low Cost SC70JW-10
    ▪ Low Profile 0.75mm TDFN2x2.2-10
订购信息 Ordering Information
  • AHK3296

 

应用领域 APPLICATION
  • Entry Level Mobile Phones
    • Indicator LEDs
    • Keyboard Backlight
    • MP3 Players
AHK3296 典型应用

AHK3296 典型应用

应用技术支持与电子电路设计开发资源下载 版本信息 大小
AHK3296 数据资料DataSheet下载:pdf Rev.V2 2 页